PTC термистор термочувствительное защитное устройство - термистор




Термисторы PTC-типа
Термистор относится к термочувствительным защитным устройства встраиваемой тепловой защите электродвигателя. Располагаются в специально предусмотренных для этой цели гнездах в лобовых частях электродвигателя (защита от заклинивания ротора) или в обмотках электродвигателя (защита от теплового перегруза).
Термистор — полупроводниковый резистор, изменяющие свое сопротивление в зависимости от температуры.
Термисторы в основном делятся на два класса:
PTC-типа — полупроводниковые резисторы с положительным температурным коэффициентом сопротивления;
NTC-типа — полупроводниковые резисторы с отрицательным температурным коэффициентом сопротивления.
Для защиты электродвигателей используются в основном PTC-термисторы (позисторы Positive Temperature Coefficient), обладающие свойством резко увеличивать свое сопротивление, когда достигнута некоторая характеристическая температура (см рис. 1). Применительно к двигателю это максимально допустимая температура нагрева обмоток статора для данного класса изоляции. Три (для двухобмоточных двигателей — шесть) PTC-термистора соединены последовательно и подключены к входу электронного блока защиты. Блок настроен таким образом, что при превышении суммарного сопротивления цепочки срабатывает контакт выходного реле, управляющий расцепителем автомата или катушкой магнитного пускателя. Термисторная защита предпочтительней в тех случаях, когда по току невозможно определить с достаточной точностью температуру двигателя. Это касается прежде всего двигателей с продолжительным периодом запуска, частыми операциями включения и отключения (повторно-кратковременным режимом) или двигателей с регулируемым числом оборотов (при помощи преобразователей частоты). Термисторная защита эффективна также при сильном загрязнении двигателей или выходе из строя системы принудительного охлаждения.
Термистор — полупроводниковый резистор, изменяющие свое сопротивление в зависимости от температуры.
Термисторы в основном делятся на два класса:
PTC-типа — полупроводниковые резисторы с положительным температурным коэффициентом сопротивления;
NTC-типа — полупроводниковые резисторы с отрицательным температурным коэффициентом сопротивления.
Для защиты электродвигателей используются в основном PTC-термисторы (позисторы Positive Temperature Coefficient), обладающие свойством резко увеличивать свое сопротивление, когда достигнута некоторая характеристическая температура (см рис. 1). Применительно к двигателю это максимально допустимая температура нагрева обмоток статора для данного класса изоляции. Три (для двухобмоточных двигателей — шесть) PTC-термистора соединены последовательно и подключены к входу электронного блока защиты. Блок настроен таким образом, что при превышении суммарного сопротивления цепочки срабатывает контакт выходного реле, управляющий расцепителем автомата или катушкой магнитного пускателя. Термисторная защита предпочтительней в тех случаях, когда по току невозможно определить с достаточной точностью температуру двигателя. Это касается прежде всего двигателей с продолжительным периодом запуска, частыми операциями включения и отключения (повторно-кратковременным режимом) или двигателей с регулируемым числом оборотов (при помощи преобразователей частоты). Термисторная защита эффективна также при сильном загрязнении двигателей или выходе из строя системы принудительного охлаждения.
![]() |
![]() |
| Рис.1 Зависимость сопротивления термистора PTC-типа от температуры | PTC - полупроводниковый резистор |
Недостатком данного вида защиты является то, что с датчиками выпускаются далеко не все типы двигателей. Это особенно касается двигателей отечественного производства. Датчики могут устанавливаться только в условиях стационарных мастерских. Температурная характеристика термистора достаточно инерционна и сильно зависит от температуры окружающей среды и от условий эксплуатации самого двигателя. Они требуют наличия специального электронного блока: термисторного устройства защиты двигателей, теплового или электронного реле перегрузки, в которых находятся блоки настройки и регулировки, а также выходные электромагнитные реле, служащие для отключения катушки пускателя или электромагнитного расцепителя.
Характеристики термистора PTC-типа по DIN44081/44082

Внешний вид термисторов
.gif)
|
Диаграмма РТС термисторов
|
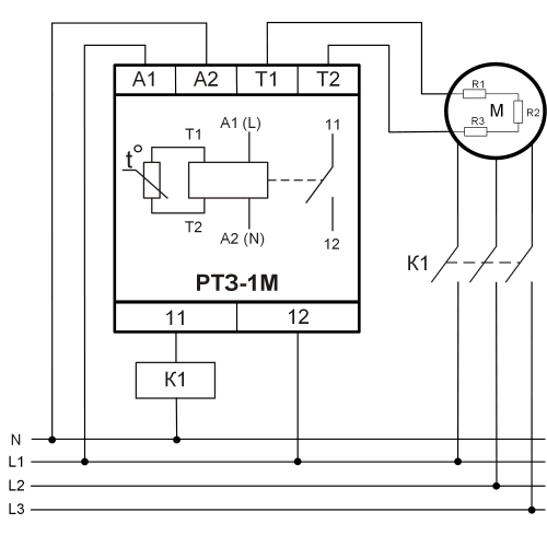
Вариант применения РТС термисторов
|
![]() |
![]() |
Пример цветовой кодировки РТС термисторов в зависимости от температуры
.gif)
Русский


.gif)

.gif)
