Серия модулей аварийного ввода резерва МАВР-3, предназначенная для работы в четырёхпроводных сетях 230/400В с изолированными нулями.
|
СНЯТО С ПРОИЗВОДСТВА АНАЛОГ МАВР-3-11М
|
|
МАВР-3-11 УХЛ4
|
15811.00 руб. с НДС
|
-
Внутреннее формирование оперативного напряжения питания
-
Установка порогов Uмин и Uмакс раздельно для Ввода 1 и Ввода 2
-
Контроль наличия, чередования, обрыва фаз для Ввода 1 и Ввода 2
-
Установка времени включения, отключения
-
Нагрузочная способность контактов управления - 16А/АС250V
-
Реле аварийной сигнализации
-
Возможность дистанционной блокировки кнопок лицевой панели
-
Гальваническая развязка вводов
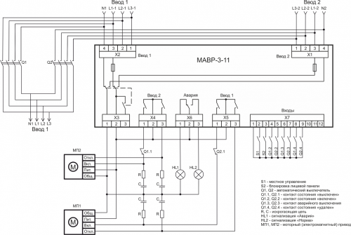
На лицевой панели размещена мнемоническая схема, светодиодные индикаторы фазовых напряжений «L1», «L2», «L3», индикаторы превышения пороговых значений «<U» и «>U», индикатор готовности ввода «ГОТОВ», индикаторы состояния коммутационных механизмов «ОТКЛ», «УДАЛЕН», индикатор «АВАРИЯ», индикатор автоматического режима «АВТО», кнопки управления коммутационными механизмами «ВВОД1» и «ВВОД2», кнопка сброса «СТОП», кнопка включения автоматического режима «АВТО».
На коммутационной панели размещены предохранители цепей оперативного питания для каждого ввода, разъёмы подключения ввода1 и ввода 2, разъёмы для подключения коммутационных механизмов ввода 1 и ввода 2, разъем подключения оперативного питания «Uопер.», разъем «АВАРИЯ» для подключения внешней аварийной сигнализации, разъем «ВХОДЫ» для подключения внешних сигнальных устройств, переключатели установки пороговых значений напряжения «Uмакс», «Uмин» для ввода1 и для ввода2, переключатели установки задержек «Время вкл.», «Время откл.», блок микропереключателей установки режимов работы «Режимы».
Блок контроля напряжения каждого ввода имеет светодиодную индикацию текущего состояния ввода. Питание осуществляется от фазы «L1» и нейтрали «N». Блоки имеют гальваническую развязку между собой и с микропроцессорным блоком.
|
Параметр
|
Ед.изм.
|
МАВР-3-11
|
|
Тип контролируемых линий ( 3-х фазная, 4-х проводная)
|
|
L1, L2, L3, N
|
|
Количество контролируемых вводов
|
|
2
|
|
Напряжение питания ввод1, ввод2
|
В
|
180-400
|
|
Частота сети
|
Гц
|
47-60
|
|
Максимальное напряжение коммутации/при токе
|
В/А
|
AC400/5*
|
|
Максимальный ток нагрузки, АС1/при напряжении
|
А/В
|
16/AC250*
|
|
Пороги отключения Ввод 1, Ввод 2 по Uмакс
|
В
|
243, 249, 255, 261, 267, 273, 279, 285, 291, 297
|
|
Пороги отключения Ввод 1, Ввод 2 по Uмин
|
В
|
163, 169, 175, 181, 187, 193, 199, 205, 211, 217
|
| Погрешность порога срабатывания | %Uном | ±1,5 |
| Ширина зоны «гистерезиса» порога срабатывания | %Uном | ±2,5 |
|
Задержка на отключение
|
с
|
0,1, 0,5, 1, 2, 3, 5, 10, 20, 30, 60
|
|
Задержка на включение
|
|
0,1с, 1с, 3с, 15с, 30с, 1мин, 2мин, 3мин, 6мин
|
|
Контроль обрыва фазы
|
|
есть
|
|
Контроль чередования фаз
|
|
есть
|
|
Контроль слипания фаз
|
|
есть
|
|
Коммутационная износостойкость
|
|
>106
|
|
Электрическая износостойкость
|
|
>104
|
|
Диапазон рабочих температур
|
0C
|
-20...+55
|
|
Температура хранения
|
0C
|
-40...-70
|
|
Помехоустойчивость от пачек импульсов в соответствии с
ГОСТ Р 51317.4.4-99 (IEC/EN 61000-4-4) |
|
уровень 3 (2кВ/5кГц)
|
|
Помехоустойчивость от перенапряжения в соответствии с
ГОСТ Р 51317.4.5-99 (IEC/EN 61000-4-5) |
|
уровень 3 (2кВ L1-L2)
|
|
Климатическое исполнение и категория размещения по
ГОСТ 15150-69 (без образования конденсата) |
|
УХЛ4
|
|
Степень защиты по корпусу/по клеммам по ГОСТ 14254-96
|
|
IP54/IP20
|
|
Степень загрязнения в соответствии с ГОСТ 9920-89
|
|
2
|
|
Относительная влажность воздуха
|
%
|
до 80 (при 250C)
|
|
Высота над уровнем моря
|
м
|
до 2000
|
|
Рабочее положение в пространстве
|
|
произвольное
|
|
Режим работы
|
|
круглосуточный
|
|
Габаритные размеры
|
мм
|
0,140*0,140*78
|
|
Масса, не более
|
кг
|
0,74
|
|
* - Обязательное применение цепей защиты от коммутационных выбросов
|
||
|
Наименование
|
Заказной код
(артикул)
|
Файл для скачивания
|
Дата файла
|
|
МАВР-3-11 УХЛ4
|
4640016938391
|
v08.03.19
|



Скачать