Модуль управления АВР МАВР-4-1М
|
МАВР-4-1М УХЛ4
|
стандарт |
18041.00 руб. с НДС
|
- Установка порогов Uмин и Uмакс для Ввода1 и Ввода2
- Контроль наличия, чередования, обрыва фаз для Ввода 1 и Ввода 2
- Установка времени включения, отключения и возврата на приоритетный ввод
- Нагрузочная способность контактов управления - 5А
- Встроенное реле для аварийной сигнализации
- Возможность дистанционной блокировки кнопок лицевой панели
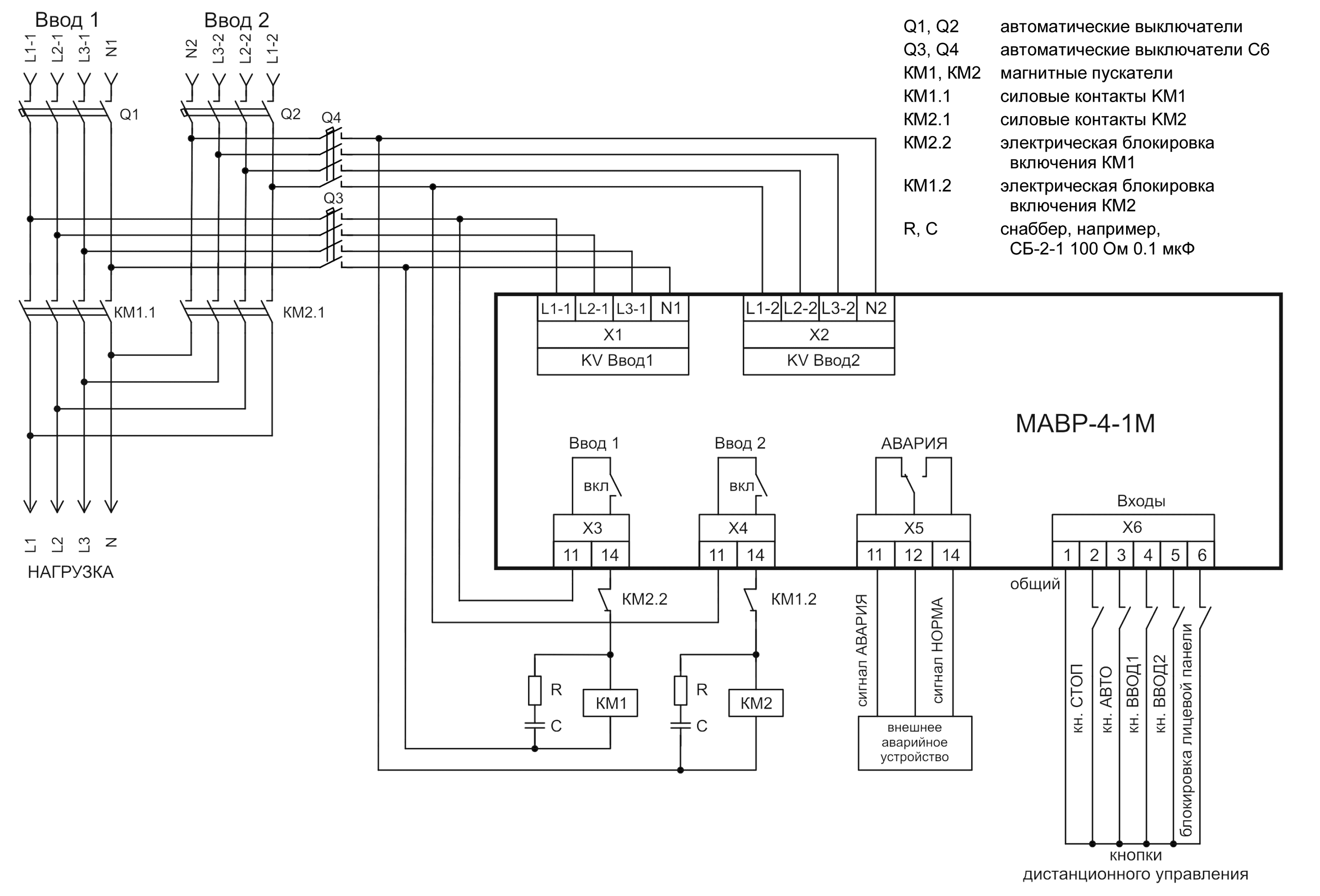
Модуль предназначен для объектов промышленного назначения. Используется в схемах автоматического ввода резерва при схеме питания два ввода и одна нагрузка. Модуль осуществляет управление коммутационными механизмами для переключения нагрузок с основного источника питания на резервный, при возникновении аварии на основном вводе, и возврат к нормальной схеме питания при нормализации рабочих параметров основного источника питания. Управление коммутационными механизмами осуществляется автоматически в соответствии с выбранными настройками.
В качестве коммутационных механизмов могут применяться только электромагнитные пускатели.
НАЗНАЧЕНИЕ ОРГАНОВ УПРАВЛЕНИЯ, ИНДИКАЦИИ И ПОДКЛЮЧЕНИЯ
Передняя панель модуля МАВР-4-1М
| Назначение | Описание |
| Индикация состояния Ввода1 и Ввода2 |
L1, L2, L3 индикаторы состояния фаз (зеленый – норма, красный – авария, одновременное мигание зеленым/красным - слипание фаз). U< и U> индикаторы вида аварии по вводу: - U< и/или U> включен, недопустимое отклонение напряжения; - U< и U> попеременно включены, нарушение порядка чередования фаз; - U< и U> одновременно мигают, недопустимая частота сети. Зеленый индикатор ГОТОВ - состояние готовности к подключению нагрузки. Горит - ввод готов к подключению нагрузки, не горит - не готов. Мигает - происходит отсчет времени включения или выключения. |
| Управление и состояние коммутационными механизмами Ввода1 и Ввода2 |
ВВОД1 и ВВОД2 – кнопки изменения режима работы АВР. Желтый индикатор – состояние коммутационного механизма ввода. Горит - ЭП включен, не горит - выключен. Одновременное синхронное мигание - включение на неисправную нагрузку (см. раздел 7.1 паспорт изделия) |
| Управление автоматическим режимом работ |
СТОП – кнопка управления режимом работы АВР / остановка работы. АВТО – включение автоматического режима работы АВР. |
| Индикатор аварийного состояния | Красный индикатор АВАРИЯ - включается при срабатывании реле АВАРИЯ. Служит для привлечения внимания обслуживающего персонала. |
| НАЗНАЧЕНИЕ ОРГАНОВ УПРАВЛЕНИЯ И ИНДИКАЦИИ НА КОММУТАЦИОННОЙ ПАНЕЛИ МОДУЛЯ |
|
Х1 - разъем для подключения напряжения Ввода1 Х2 - разъем для подключения напряжения Ввода2 Х3 - разъем для управления КМ Ввод1 Х4 - разъем для управления КМ Ввод2 Х5 - разъем для подключения внешней аварийной сигнализации (сухие контакты) Х6 - разъем дискретных входов модуля |
| DIP переключатели предназначены для настройки режимов работы модуля. |
| Поворотные переключатели - предназначены для временных настроек и установки пороговых значений контролируемых напряжений. |
| Режим (включается соответствующей кнопкой) | Описание режима |
| СТОП | нагрузка отключена |
| АВТО | нагрузка может быть подключена к Вводу1 или Вводу2 |
| Нагрузка к Ввод1 | нагрузка может быть подключена только к Вводу1 |
| Нагрузка к Ввод2 | нагрузка может быть подключена только к Вводу2 |
|
Параметр
|
Ед.изм.
|
Значение
|
|
Тип контролируемых линий
|
|
(3-х фазная, 4-х проводная)
(1 фазная, 2-х проводная)
|
|
Количество контролируемых вводов
|
|
2
|
|
Допустимое напряжение на разъемах Ввод1, Ввод2
|
В
|
0-330
|
|
Частота сети
|
Гц
|
45-65
|
| Максимальное напряжение коммутации | 400В (5А АС)* | |
|
Максимальный ток нагрузки, АС1/при напряжении
|
А/В
|
5A/AC250B*
|
|
Уровень логического нуля по дискретным входам
|
В
|
АС0-1
|
| Уровень логической единицы по дискретным входам | DC5-15 | |
|
Пороги отключения Ввод 1, Ввод 2 по Uмакс
|
В
|
240, 250, 260, 265, 270, 275, 280,285, 290, 295
|
|
Пороги отключения Ввод 1, Ввод 2 по Uмин
|
В
|
165, 170, 175, 180, 185, 190, 195,200, 210, 220
|
|
Погрешность порога срабатывания
|
%Uном
|
±1,5
|
|
Гистерезис срабатывания РКН
|
%Uном
|
±2,5
|
| Задержка возврата на приоритетный ввод | с | 0.5, 2, 5, 10, 20, 40, 60, 80, 100, 120 |
| Задержка отключения | с | 0.1, 0.5, 1, 2, 3, 5, 10, 20, 30, 60 |
| Время включения | 0,1с, 1с, 3с, 15с, 30с, 1мин, 2мин, 3мин, 6мин | |
| Контроль обрыва фазы | есть | |
| Контроль чередования фаз | есть | |
| Контроль слипания фаз | есть | |
| Коммутационная износостойкость контактов | 1X106 | |
| Электрическая износостойкость контактов | 1X104(5А 250В AC1 цикл: 1с Вкл/9c Выкл) | |
| Диапазон рабочих температур | 0C | -20...+55 |
| Температура хранения | 0C | -40...+70 |
|
Помехоустойчивость от пачек импульсов в соответствии с ГОСТ Р 51317.4.4-99 (IEC/EN 61000-4-4) |
уровень 3 (2кВ/5кГц) | |
|
Помехоустойчивость от перенапряжения в соответствии с ГОСТ Р 51317.4.5-99 (IEC/EN 61000-4-5) |
уровень 3 (2кВ L1-L2) | |
|
Климатическое исполнение и категория размещения по ГОСТ 15150-69 (без образования конденсата) |
УХЛ4 | |
| Степень защиты по корпусу/по клеммам по ГОСТ 14254-96 | IP54/IP20 | |
| Степень загрязнения в соответствии с ГОСТ 9920-89 | 2 | |
| Относительная влажность воздуха | % | до 80 (250C) |
| Высота над уровнем моря | м | 2000 |
| Рабочее положение в пространстве | произвольное | |
| Режим работы | круглосуточный | |
| Габаритные размеры | мм | 144 х 144 х 48 |
| Масса, не более | кг | 0,74 |
|
* - Обязательно применение цепей защиты от коммутационных выбросов типа снабберный
модуль СБ-2-1
|
||
|
№ операции
|
Описание
|
|
1
|
В выбранном месте на лицевой панели электрощита сделать прямоугольное установочное отверстие размером 137х137 мм.
|
|
2
|
Вставить Модуль в установочное отверстие
|
|
3
|
В боковые прямоугольные отверстия корпуса вставить два кронштейна (крепления) с каждой стороны, как показано на рисyнке
|
|
4
|
Регулировочным винтом кронштейна (крепления) обеспечить надежную фиксацию модуля в установочном отверстии щита.
Внимание! Избыточная затяжка винта может привести к неработоспособности кнопок и/или деформации корпуса.
|
| Наименование |
Заказной код
(артикул)
|
Наименование файла | Файл для скачивания | Дата файла |
| МАВР-4-1М УХЛ4 | 4680019912714 | Руководство по эксплуатации | PDF Скачать v05 | 11.24 |
| ПО для управления | ZIP Скачать V1.0 | 08.23 | ||
| 3D модель | STEP Скачать | 08.23 |










