Модули сопряжения МС-05, расширители дискретных выходов
| Модуль сопряжения с эл. бистабильным реле МС-05-01 УХЛ2 | спец. | 
							В РАЗРАБОТКЕ | 
| Модуль сопряжения с эл. бистабильным реле МС-05-01 УХЛ4 | стандарт | 
								
2730.00 руб. с НДС | 
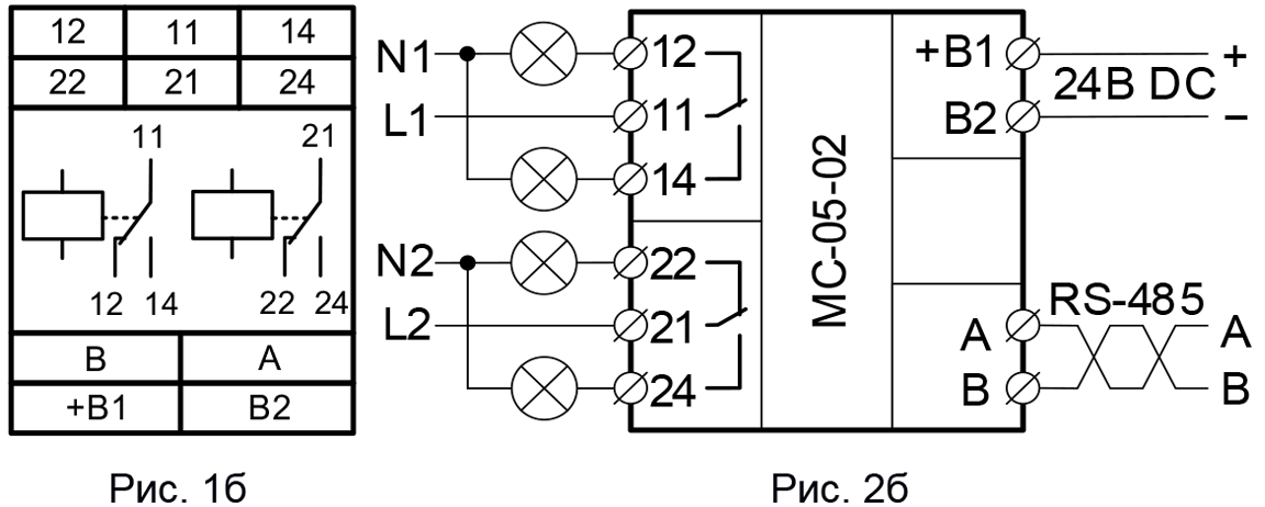
| Модуль сопряжения с 2 эл. моностабильными реле МС-05-02 УХЛ2 | спец. | 
							В РАЗРАБОТКЕ | 
| Модуль сопряжения с 2 эл. моностабильными реле МС-05-02 УХЛ4 | стандарт | 
							В РАЗРАБОТКЕ | 
| Модуль сопряжения с твердотельным реле МС-05-03 УХЛ2 | спец. | 
							В РАЗРАБОТКЕ | 
| Модуль сопряжения с твердотельным реле МС-05-03 УХЛ4 | стандарт | 
							В РАЗРАБОТКЕ | 
| Модуль сопряжения с 8 эл. моностабильными реле МС-05-04 УХЛ2 | спец. | 
								
9960.00 руб. с НДС | 
| Модуль сопряжения с 8 эл. моностабильными реле МС-05-04 УХЛ4 | стандарт | 
								
7300.00 руб. с НДС | 
- включает реле;
- начинает отсчет времени, если устройство уже находилось в режиме "импульс" отсчет будет начат заново;
- по завершении отсчёта выключает реле;
- переходит в Режим "Прямое управление".
РАБОТА УСТРОЙСТВА МС-05-04
   Управление устройством производится путем записи значений в регистры (см. карту регистров, таблица 2). Управление состоянием выхода осуществляется через регистры состояния выхода (R200-207). Каждому выходу соответствует одно реле. При выключенном реле контакты x1-x4 (где x - номер выхода) разомкнуты, контакты x1-x2 замкнуты. При включенном реле контакты x1-x4 замкнуты, контакты x1-x2 разомкнуты.
			   Функция безопасного состояния. Если в течение времени перехода в безопасное состояние не происходит считывания или записи в регистр состояния данного выхода, выход перейдет в безопасное состояние. Включение функции, время перехода и безопасное состояние настраиваются для каждого выхода индивидуально.
			   Когда функция безопасного состояния включена (R300-307), то, если состояние выхода (R200-207) не равно безопасному состоянию (R400-407), запускается таймер. По достижении таймером времени перехода в безопасное состояние (R500-507), выход переходит в безопасное состояние. Для сброса таймера необходимо прочитать или повторно записать регистр, управляющий выходом (R200-207). Таким образом, при обрыве связи таймер перестанет сбрасываться, и выход перейдет в безопасное состояние через установленное время.
			   Технические характеристики устройства приведены в таблице ниже.
Основные особенности МС-05-04:
- 8 независимых гальванически развязанных выходов;
- диагностика обрыва интерфейсной линии;
- безопасное состояние по каждому выходу с настраиваемой задержкой по времени;
- максимальный коммутируемый ток 3А (AC 250 / DC30) для каждого выхода;
- индикация состояния выходов.
ПАРАМЕТРЫ ПОРТА MODBUS RTU
| Режим Modbus Количество битов данных Четность Стартовых бит Стоповых бит Скорости передачи Адрес устройства Modbus | Slave 8 Even 1 1 Определяется R101 Определяется R100 | 
| Параметр | Ед. Изм. | МС-05-01 | МС-05-02 | МС-05-03 | 
| Номинальное напряжение питания | В | DC 24 | ||
| Напряжение питания | В | DC 22 ... 26 | ||
| Потребляемая мощность, не более | Вт | 1 | ||
| Гальваническая развязка | питание - остальные цепи; между цепями коммутации | |||
| Количество и тип контактных групп | 
								1 NO | 2 СО | 2 NO | |
| Тип встроенного реле | электромагнитное бистабильное | электромагнитное | твердотельное | |
| Максимальное коммутируемое напряжение AC | В | AC 250, DC 30 | AC 250, DC 30 | AC/DC 400 | 
| Максимальный ток одной контактной группы | A | 5 | 0.05 | |
| Суммарный продолжительный ток всех контактных групп, не более | A | 5 1) | 101) | 0.1 | 
| Ток утечки выключенного состояния, не более | мкА | 1 (400В 25°С) | ||
| Сопротивление включённого состояния, не более | Ом | 30 (25°С) | ||
| Время включения реле, не более | мс | 152 | 152 | |
| Время отключения реле, не более | мс | 152 | 152 | |
| Механическая износостойкость, не менее | цикл | 
								1 х 107 | ||
| Электрическая износостойкость, не менее | цикл | 
								1 x 105 (3А 250В АС1 50Гц) 
								(цикл: вкл.1с/выкл.9с) | ||
| Интерфейс | 
								RS-485 | |||
| Протокол | Modbus RTU | |||
| Скорость передачи данных | бит/c | 9600, 14400, 19200, 28800, 38400, 57600, 76800, 115200. | ||
| Сопротивление входное, не менее | кОм | 
								7 | ||
| Терминатор линии встроенный | 
								отсутствует | |||
| Время готовности, не более | мс | 
								600 | ||
| Напряжение питание - другие клеммы, не более | В | 400 (АС 50Гц 1 мин.) | ||
| Напряжение клеммы контактов - другие клеммы, не более | В | 2000 | 1000 | |
| Тип клемм | 
								винтовые | |||
| Сечение подключаемых к клеммам проводников, не более | мм2 | 
								2.5 | ||
| Климатическое исполнение и категория размещения по ГОСТ 15150-69 (без образования конденсата) | УХЛ4, УХЛ2 | |||
| Диапазон рабочих температур | °С | -25…+55 (УХЛ4) -40…+55 (УХЛ2) | ||
| Температура хранения | °С | -40…+70 | ||
| Относительная влажность, не более | % | 80 (25°С) | ||
| Высота над уровнем моря, не более | м | 2000 | ||
| Степень защиты по корпусу по ГОСТ 14254-96 | IP40 / IP20 | |||
| Режим работы | круглосуточный | |||
| Положение рабочее в пространстве | произвольное | |||
| Габаритные размеры в корпусе из полиамида (с заклёпками) | мм | 18 x 92 x 64 | ||
| Габаритные размеры в корпусе из ABS-пластика V0 (без заклёпок) | мм | 18 x 93 x 63 | ||
| Масса нетто/брутто, не более | кг | 
								0.055/0.065 | 0.055/0.065 | 0.050/0.060 | 
| Срок службы, не менее | лет | 10 | ||
   1) При боковых зазорах между корпусами не менее 5 мм.
			      При установке без зазоров, указанные значения тока снижаются для:
			     - МС-05-01 до 3А;
			     - МС-05-02 до 6А.
			    2) После получения команды.
			    3) Для индуктивной нагрузки учитывается понижающий коэффициент, см. рис.3 руководства по эксплуатации.
ТЕХНИЧЕСКИЕ ХАРАКТЕРИСТИКИ МС-05-04
| Параметр | Ед. Изм. | МС-05-04 | 
| Напряжение питания DC | В | 22...26 | 
| Потребляемая мощность, не более | Вт | 1 | 
| Гальваническая развязка | питание - остальные цепи; | |
| Количество и тип контактных групп | 6 NO, 2 СО | |
| Тип реле | электромагнитное | |
| Максимальное коммутируемое напряжение AC | В | AC 250 , DC 30 | 
| Максимальный долговременный ток контактной группы реле | А | 3 А (250 В АС1, 30 В DC1) при боковых зазорах | 
| Время включения реле с момента получения команды, не более | мс | 15 | 
| Время отключения реле с момента получения команды, не более | мс | 15 | 
| Механическая износостойкость, не менее | цикл | 1 х 107 | 
| Электрическая износостойкость, не менее | цикл | 1 x 105 | 
| Интерфейс | RS-485 | |
| Протокол | Modbus RTU | |
| Скорость передачи данных | бит/c | 9600, 14400, 19200, 28800, | 
| Терминатор линии встроенный | отсутствует | |
| Время готовности, не более | мс | 600 | 
| Допустимое напряжение: питание - другие клеммы, не более | В | 1000 (АС 50 Гц 1минута) | 
| Допустимое напряжение: клеммы контактной группы - другие клеммы, не более | В | 2000 (АС 50 Гц 1минута) | 
| Тип клемм | винтовые | |
| Сечение подключаемых к клеммам проводников, не более | мм2 | 2.5 | 
| Климатическое исполнение и категория размещения по ГОСТ 15150-69 (без образования конденсата) | УХЛ4, УХЛ2 | |
| Диапазон рабочих температур | °С | -25…+55 (УХЛ4), -40…+55 (УХЛ2) | 
| Температура хранения | °С | -40…+70 | 
| Относительная влажность (при 25°С), не более | 80 % | |
| Высота над уровнем моря, не более | м | 2000 | 
| Степень защиты по корпусу по ГОСТ 14254-96 | IP40 | |
| Степень защиты по клеммам по ГОСТ 14254-96 | IP20 | |
| Режим работы | круглосуточный | |
| Положение рабочее в пространстве | произвольное | |
| Габаритные размеры | мм | 35 x 93 x 62 | 
| Масса нетто/брутто, не более | кг | 0,13 / 0,15 | 
| Срок службы, не менее | лет | 10 | 
| 
								Понижающий коэффициент износостойкости для переменного тока и индуктивной 
								нагрузки в зависимости от коэффициента мощности Cos ϕ: 
								Износостойкость = Износостойкость(AC1) * коэффициент. | 
Сертификат соответствия EAC: смотреть
| Наименование | 
							Заказной код 
							(артикул) | Наименование файла | Файл для скачивания | Дата файла | 
| 
							МС-05-01 УХЛ2 МС-05-01 УХЛ4 
							МС-05-02 УХЛ2 
							МС-05-02 УХЛ4 
							МС-05-03 УХЛ2 МС-05-03 УХЛ4 | 
							2000016936971 2000016936827 
							2000016938029 2000016938012 
							2000016938043 2000016938036 | Руководство по эксплуатации | PDF Скачать v05 | 09.25 | 
| PDF Скачать v04 | 04.24 | |||
| МС-05-04 УХЛ2 МС-05-04 УХЛ4 | 2000016938272 2000016938265 | Руководство по эксплуатации | PDF Скачать v01 | 03.25 | 
| 3D модель | STEP Скачать | 09.25 | 
 
			





 
      







