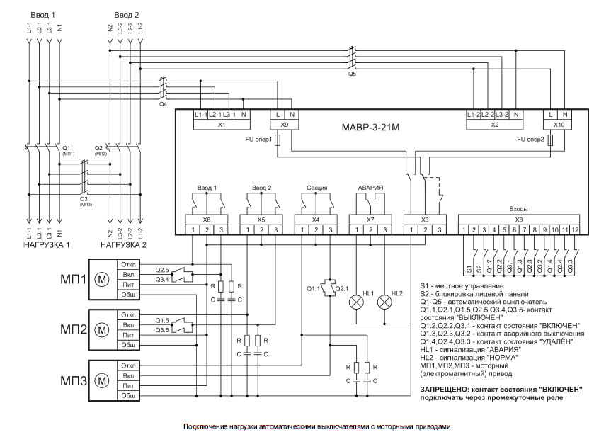
Модуль аварийного ввода резерва МАВР-3-21М (переключение между секциями), для работы в четырёхпроводных сетях 230/400В с изолированными нулями, управление магнитными пускателями или коммутационными аппаратами с контролем их состояния и индикацией.
СНЯТ С ПРОИЗВОДСТВА ФУНКЦИОНАЛЬНАЯ ЗАМЕНА МАВР-4-21М
| МАВР-3-21М УХЛ4 | 20255.00 руб. с НДС |
- Внутреннее формирование оперативного напряжения питания
- Установка порогов Uмин и Uмакс раздельно для Ввода 1 и Ввода 2
- Контроль наличия, чередования, обрыва фаз для Ввода 1 и Ввода 2
- Установка времени включения, отключения
- Нагрузочная способность контактов управления - 16А/АС250V
- Реле аварийной сигнализации
- Возможность дистанционной блокировки кнопок лицевой панели
- В качестве снабберных цепочек рекомендуется применять СБ-2-1 100Ом 0,1мкФ УХЛ4. Для самостоятельного расчета снабберной цепочки можно воспользоваться инструкцией - статьей https://www.meandr.ru/rc-tsep.
Переход в режим ручного управления осуществляется нажатием кнопки «Ввод1» или «Ввод2».
Светодиод «Авто» включён.
В этом режиме МАВР выполняет только функции индикации состояния. Все релейные выходы остаются выключенными.
|
Параметр
|
Ед.изм.
|
МАВР-3-21М
|
|
Тип контролируемых линий ( 3-х фазная, 4-х проводная)
|
|
L1, L2, L3, N
|
|
Количество контролируемых вводов
|
|
2
|
|
Напряжение питания ввод1, ввод2
|
В
|
150-330
|
|
Частота сети
|
Гц
|
47-60
|
|
Максимальное напряжение коммутации/при токе
|
В/А
|
AC400/5*
|
|
Максимальный ток нагрузки, АС1/при напряжении
|
А/В
|
16/AC250*
|
| Уровень логического нуля по входам обратных связей | В | 0...0,8 |
| Уровень логической едеиницы по входам обратных связей | В | 4...15 |
|
Пороги отключения Ввод 1, Ввод 2 по Uмакс
|
В
|
240, 250, 260, 265, 270, 275, 280,285, 290, 295
|
|
Пороги отключения Ввод 1, Ввод 2 по Uмин
|
В
|
165, 170, 175, 180, 185, 190, 195,200, 210, 220
|
| Погрешность порога срабатывания | %Uном | ±1,5 |
| Ширина зоны «гистерезиса» порога срабатывания | %Uном | ±2,5 |
|
Задержка на отключение
|
с
|
0,1, 0,5, 1, 2, 3, 5, 10, 20, 30, 60
|
|
Задержка на включение
|
|
0,1с, 1с, 3с, 15с, 30с, 1мин, 2мин, 3мин, 6мин
|
|
Контроль обрыва фазы
|
|
есть
|
|
Контроль чередования фаз
|
|
есть
|
|
Контроль слипания фаз
|
|
есть
|
|
Коммутационная износостойкость
|
|
>106
|
|
Электрическая износостойкость
|
|
>104
|
|
Диапазон рабочих температур
|
0C
|
-20...+55
|
|
Температура хранения
|
0C
|
-40...-70
|
|
Помехоустойчивость от пачек импульсов в соответствии с
ГОСТ Р 51317.4.4-99 (IEC/EN 61000-4-4) |
|
уровень 3 (2кВ/5кГц)
|
|
Помехоустойчивость от перенапряжения в соответствии с
ГОСТ Р 51317.4.5-99 (IEC/EN 61000-4-5) |
|
уровень 3 (2кВ L1-L2)
|
|
Климатическое исполнение и категория размещения по
ГОСТ 15150-69 (без образования конденсата) |
|
УХЛ4
|
|
Степень защиты по корпусу/по клеммам по ГОСТ 14254-96
|
|
IP54/IP20
|
|
Степень загрязнения в соответствии с ГОСТ 9920-89
|
|
2
|
|
Относительная влажность воздуха
|
%
|
до 80 (при 250C)
|
|
Высота над уровнем моря
|
м
|
до 2000
|
|
Рабочее положение в пространстве
|
|
произвольное
|
|
Режим работы
|
|
круглосуточный
|
|
Габаритные размеры
|
м
|
0,144х0,144х48
|
|
Масса, не более
|
кг
|
0,740
|
|
* - Обязательное применение цепей защиты от коммутационных выбросов НАПРИМЕР
|
||
В качестве снабберных цепочек рекомендуется применять СБ-2-1 100Ом 0,1мкФ УХЛ4. Для самостоятельного расчета снабберной цепочки можно воспользоваться инструкцией - статьей https://www.meandr.ru/rc-tsep.
В качестве снабберных цепочек рекомендуется применять СБ-2-1 100Ом 0,1мкФ УХЛ4. Для самостоятельного расчета снабберной цепочки можно воспользоваться инструкцией - статьей https://www.meandr.ru/rc-tsep.
| Наименование |
Заказной код (артикул) |
Файл для скачивания | Дата файла |
| МАВР-3-21М УХЛ4 | 4680019912202 |
Скачать |
v08.10.21 |
|
|
v01 |





Скачать