Реле времени однокомандное РВО-1М в корпусе шириной 13мм
|
РВО-1М АСDC24В/АС230В УХЛ4
|
стандарт. |
1851.00 руб. с НДС
|
|
РВО-1М ACDC24В/АС230В УХЛ2
|
спец. изделие |
2553.00 руб. с НДС
|
-
Диапазон выдержки времени от 0,3с до 10ч
-
Установка выдержки времени осуществляется с помощью одного поворотного декадного переключателя
-
8 диаграмм работы
-
1 переключающая группа 3А/250В
-
Индикатор состояния встроенного реле, индикатор наличия питания
-
Корпус шириной 13мм
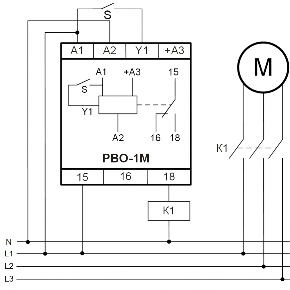
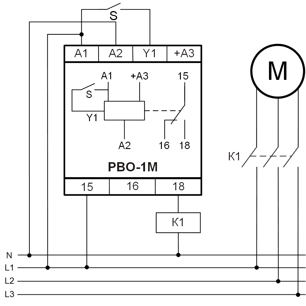
НАЗНАЧЕНИЕ РЕЛЕ
Реле времени РВО-1М предназначено для коммутации электрических цепей с предварительно установленной выдержкой времени.
КОНСТРУКЦИЯ РЕЛЕ
Реле выпускаются в унифицированном пластмассовом корпусе с передним присоединением проводов питания и коммутируемых электрических цепей. Крепление осуществляется на монтажную рейку-DIN шириной 35мм (ГОСТ Р МЭК 60715-2003) или на ровную поверхность. Для установки реле на ровную поверхность замки необходимо раздвинуть. Конструкция клемм обеспечивает надёжный зажим проводов сечением до 2,5мм2. На лицевой панели реле расположены: поворотный переключатель установки выдержки времени, жёлтый индикатор срабатывания встроенного реле «
», зелёный индикатор включения напряжения питания «U». На боковой поверхности расположен DIP-переключатель для выбора диапазона времени (1, 2, 3 переключатели) и диаграммы работы (4, 5, 6 переключатели).
», зелёный индикатор включения напряжения питания «U». На боковой поверхности расположен DIP-переключатель для выбора диапазона времени (1, 2, 3 переключатели) и диаграммы работы (4, 5, 6 переключатели).
РАБОТА РЕЛЕ
Реле имеет 8 поддиапазонов выдержки времени. Требуемая выдержка устанавливается поворотным переключателем, расположенным на лицевой панели, в пересчете на временной диапазон выбранный DIP-переключателем.
Диаграмма работы реле устанавливается с помощью DIP-переключателя.
ВНИМАНИЕ: Смена диаграммы работы и множителей возможна только после снятия напряжения питания.
В обесточенном состоянии замкнуты контакты 15-16. После подачи напряжения питания загорается зелёный индикатор «U» реле начинает отрабатывать выбранную диаграмму, во время отсчёта заданной выдержки времени зелёный индикатор «U» мигает. При включении встроенного реле загорается жёлтый индикатор «
» при этом замыкаются контакты 15-18.
» при этом замыкаются контакты 15-18.| Параметр | Ед.изм. | РВО-1М ACDC24В/AC230В | |
|
Напряжение питания
|
В
|
АСDC24 ± 10%
АС230 ± 10%
|
|
|
Диапазоны выдержек времени
|
|
0,3-3с, 1-10c, 3-30c, 10-100c, 1-10мин, 3-30мин, 10-100мин, 1-10ч
|
|
|
Погрешность установки выдержки времени, не более
|
%
|
10
|
|
|
Погрешность отсчета выдержки времени, не более
|
%
|
2
|
|
|
Время готовности, не более
|
с
|
0,15
|
|
|
Время повторной готовности, не более
|
с
|
0,1
|
|
| Время воздействия управляющего сигнала, не менее | с | 0,05 | |
|
Диаграммы работы
|
|
1, 2, 4, 12, 13, 24, 28, 29
|
|
|
Максимальный коммутируемый ток: АС250В 50Гц (АС1)/DC30В (DC1)
|
А
|
3 | |
|
Максимальное коммутируемое напряжение
|
В
|
400
|
|
|
Максимальная коммутируемая мощность: АС250В 50Гц (АС1)/DC30В (DC1)
|
ВА/Вт
|
750/90
|
|
|
Максимальное напряжение между цепями питания и контактами реле
|
В
|
AC2000 (50Гц - 1мин)
|
|
|
Потребляемая мощность, не более
|
ВА
|
2
|
|
|
Механическая износостойкость, не менее
|
циклов
|
10х106
|
|
|
Электрическая износостойкость, не менее
|
циклов
|
100000
|
|
|
Количество и тип контактов
|
|
1 переключающая группа
|
|
|
Диапазон рабочих температур (по исполнениям)
|
0C
|
-25…+55 (УХЛ4)
-40…+55 (УХЛ2)
|
|
|
Температура хранения
|
0C
|
-40...+70
|
|
|
Помехоустойчивость от пачек импульсов в соответствии с ГОСТ Р 51317.4.4-99 (IEC/EN 61000-4-4)
|
|
уровень 3 (2кВ/5кГц)
|
|
|
Помехоустойчивость от перенапряжения в соответствии с ГОСТ Р 51317.4.5-99 (IEC/EN 61000-4-5)
|
|
уровень 3 (2кВ А1-А2)
|
|
|
Климатическое исполнение и категория размещения по ГОСТ 15150-69 (без образования конденсата)
|
|
УХЛ4 или УХЛ2
|
|
|
Степень защиты реле по корпусу/по клеммам по ГОСТ 14254-96
|
|
IP40/IP20
|
|
|
Степень загрязнения в соответствии с ГОСТ 9920-89
|
|
2
|
|
|
Относительная влажность воздуха
|
%
|
80 (при 250C)
|
|
|
Высота над уровнем моря
|
м
|
до 2000
|
|
|
Рабочее положение в пространстве
|
|
произвольное
|
|
|
Режим работы
|
|
круглосуточный
|
|
|
Габаритные размеры
|
мм
|
13х93х62
|
|
|
Масса
|
кг
|
0,065
|
|
ДИАГРАММЫ РАБОТЫ РЕЛЕ
РАСПОЛОЖЕНИЕ КЛЕММ
|
Напряжение питания АС230В подаётся на клеммы «А1» и «А2» или ACDC24В на клеммы «+А3» и «А2». Команда внешнего управления подаётся на клемму «Y1» и формируется замыканием сухого контакта «S» между клеммой «Y1» и клеммой «А1» или «+А3».
|
ПРИМЕР СХЕМЫ ПОДКЛЮЧЕНИЯ
ГАБАРИТНЫЕ РАЗМЕРЫ РЕЛЕ
ТУ 3425-003-31928807-2014
Сертификат соответствия EAC: смотреть
Форум и обсуждения - здесь
| Наименование |
Заказной код
(артикул)
|
Наименование файла
|
Файл для скачивания | Дата файла |
|
РВО-1М АСDC24В/АС230В УХЛ4 |
4640016936885 |
Руководство по эксплуатации | PDF Скачать v09 | 05.24 |
| PDF Скачать v08 | 07.23 | |||
| 3D модель | STEP Скачать | 07.23 |
Русский




