Реле защиты насосов РЗН-1М
|
РЗН-1М AC230В УХЛ4
|
3615.00 руб. с НДС
|
-
Защита насосов, имеющих встроенные датчики перегрева и наличия жидкости
-
Отключаемая функция термисторной защиты двигателя насоса
-
Возможна работа с биметаллическими датчиками температуры
-
Выходной контакт - 1 переключающая группа (250В/3А)
НАЗНАЧЕНИЕ РЕЛЕ
Реле защиты насосов РЗН-1М разработано специально для защиты насосов, имеющих встроенные термисторные или биметаллические датчики температуры от перегрева, а также, для обнаружения утечек в сочетании с «кондуктивными электродами». При погружении электрода Е1 или Е2 в проводящую жидкость, по цепи протекает небольшой переменный измерительный ток. Он сигнализирует о наличии токопроводящей среды в месте установки электродов.
ВНИМАНИЕ: Реле не предназначено для установки во взрывоопасных зонах!
Разрешается подключать электроды внутри «взрывонепроницаемой оболочки» взрывозащищённых двигателей.
КОНСТРУКЦИЯ РЕЛЕ
Реле выпускаются в пластмассовом корпусе с передним присоединением проводов питания и коммутируемых электрических цепей. Крепление осуществляется на монтажную рейку-DIN шириной 35мм (ГОСТ Р МЭК 60715-2003) или на ровную поверхность. Для установки реле на ровную поверхность фиксаторы замков необходимо переставить в крайние положения. Конструкция клемм обеспечивает надёжный зажим проводов сечением до 2,5мм2. На лицевой панели расположены: поворотный переключатель времени задержки срабатывания насоса, поворотный переключатель «чувствительность» в цепи датчиков, зелёный индикатор наличия питания E1, E2, зелёный индикатор наличия питания "U", жёлтый индикатор состояния контактов встроенного реле "
", красные индикаторы короткого замыкания цепи термисторов «КЗ», срабатывания тепловой защиты «перегрев», красные индикаторы наличия тока утечки датчиков уровня жидкости «Е1» и «Е2».
ВНИМАНИЕ: При срабатывании защиты двигатель насоса отключается за 0,5с.
", красные индикаторы короткого замыкания цепи термисторов «КЗ», срабатывания тепловой защиты «перегрев», красные индикаторы наличия тока утечки датчиков уровня жидкости «Е1» и «Е2».
РАБОТА РЕЛЕ
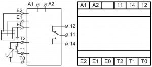
Реле защиты насосов состоит из реле термисторной защиты и реле контроля датчиков. Схема подключения реле приведена на рисунке ниже. Напряжение питания подаётся на клеммы А1-А2, датчики утечки подключаются к клеммам Е0, Е1 и Е2, цепь термисторной защиты в клеммам Т0, Т1 и Т2.
Подключение цепи термисторной защиты производится в зависимости от типа защиты двигателя насоса. При использовании двигателя, оборудованного встроенным термореле контакты термореле подключаются к клеммам Т1-Т2. При использовании двигателя оборудованного термисторной защитой (встроенные позисторы), измерительная цепь подключается к клеммам Т2-Т0. Если тепловая защита двигателя не предусмотрена на контакты Т1-Т2 устанавливается перемычка. Контакты встроенного реле и цепи защиты двигателя имеют гальваническую развязку от цепей датчиков.
При подаче напряжения питания загорается зелёный индикатор «U», реле проверяет цепь термисторной защиты на обрыв,КЗ и номинальное сопротивление позисторов в холодном состоянии, после чего даёт команду на включение насоса при этом загорается жёлтый индикатор «
». При неисправности в цепи термисторной защиты, включается соответствующий индикатор и реле не даст насосу включиться.
». При неисправности в цепи термисторной защиты, включается соответствующий индикатор и реле не даст насосу включиться.
При не погруженных (сухих) электродах (отсутствие тока в измерительных цепях Е1, Е2) реле включено, горит жёлтый светодиод. При наличии тока в измерительной цепи между Е1 и E0, Е2 и E0 реле выключается, при этом включается красный индикатор Е1 или Е2 в зависимости от канала, в котором обнаружена утечка.
Задержка срабатывания включения устанавливается поворотным регулятором в диапазоне от 0,5 до 30 секунд. В процессе отсчёта задержки срабатывания индикаторы Е1, Е2 датчиков будут мигать.
Чувствительность каналов измерения утечки Е1, Е2 устанавливается поворотным переключателем «чувствительность». Пороги срабатывания датчиков устанавливаются в зависимости от характера проводящей жидкости и формы электродов
ВНИМАНИЕ: При срабатывании защиты двигатель насоса отключается за 0,5с.
|
Параметр
|
Ед.изм.
|
РЗН-1М |
|
Номинальное напряжение питания
|
В
|
AC230
|
|
Допустимое напряжения питания
|
В
|
АС170-270
|
|
Потребляемая мощность
|
ВА
|
2
|
|
Количество каналов измерения уровня жидкости
|
шт.
|
2
|
|
Чувствительность канала
|
кОм
|
5, 8, 12, 20, 30, 50, 80, 120, 200, 300 |
|
Задержка отключения/включения насоса
|
с
|
0,5, 1, 2, 4, 7, 10, 15, 20, 25, 30 |
|
Количество позисторов в измерительной цепи электромотора, не более
|
шт.
|
6
|
|
Функция контроля К3
|
|
есть |
|
Сопротивление Rнагр. (выключение реле)
|
кОм
|
3,6 ± 5%
|
|
Сопротивление Rохл. (включение реле)
|
кОм
|
1,5 ± 5%
|
|
Сопротивление Rкз при К3 позисторов (выкл.реле), менее
|
Ом
|
40 |
|
Сопротивление в измерительной цепи в холодном состоянии
|
Ом
|
60 ± 5%
|
|
Макс. длина проводки для распознавания К3
|
м
|
2х100 (при 0,75мм2), 2х400 (при 2,5мм2)
|
|
Время реакции, не более
|
с | 0,5 |
|
Количество и тип контактов
|
|
1 переключающая группа
|
|
Максимальное коммутируемое напряжение
|
В
|
250
|
|
Максимальное коммутируемая мощность: АС250В 50Гц (АС1)/DC30В (DC1)
|
ВА/Вт
|
1250/150
|
|
Максимальный коммутируемый ток: АС250В 50Гц (АС1)/DC30В (DC1)
|
А
|
3
|
|
Механическая износостойкость, не менее
|
циклов
|
10*106
|
|
Электрическая износостойкость, не менее
|
циклов
|
100000
|
|
Степень защиты по корпусу/по клеммам по ГОСТ 14254-96
|
|
IP40/IP20
|
|
Диапазон рабочих температур
|
0С
|
-25…+55 (УХЛ4)
|
|
Диапазон температуры хранения
|
0С
|
-40…+55
|
| Режим работы | круглосуточный | |
| Рабочее положение в пространстве | произвольное | |
| Габаритные размеры | мм | 35х90х63 |
| Вес | кг | 0,2 |
СХЕМЫ ПОДКЛЮЧЕНИЯ РЕЛЕ
ГАБАРИТНЫЕ РАЗМЕРЫ РЕЛЕ
ТУ 3425-003-31928807-2014
Сертификат соответствия EAC: смотреть
Форум для обсуждения - здесь
| Наименование |
Заказной код
(артикул)
|
Наименование файла | Файл для скачивания | Дата файла |
| РЗН-1М AC230В УХЛ4 | 4640016938193 | Руководство по эксплуатации | PDF Скачать v10 | 05.24 |
| 3D модель | STEP Скачать | 04.25 |
Русский




