Реле импульсное РИО-3-63
|
РИО-3-63 АС230В УХЛ4
|
4207.00 руб. с НДС
|
ФОТО применения РИО-3-63
-
Управление трехфазными нагрузками или системами освещения
-
Режим электромагнитного контактора
-
Отсутствие шума при работе
-
Малое собственное потребление и высокая нагрузочная способность контактов
НАЗНАЧЕНИЕ РЕЛЕ
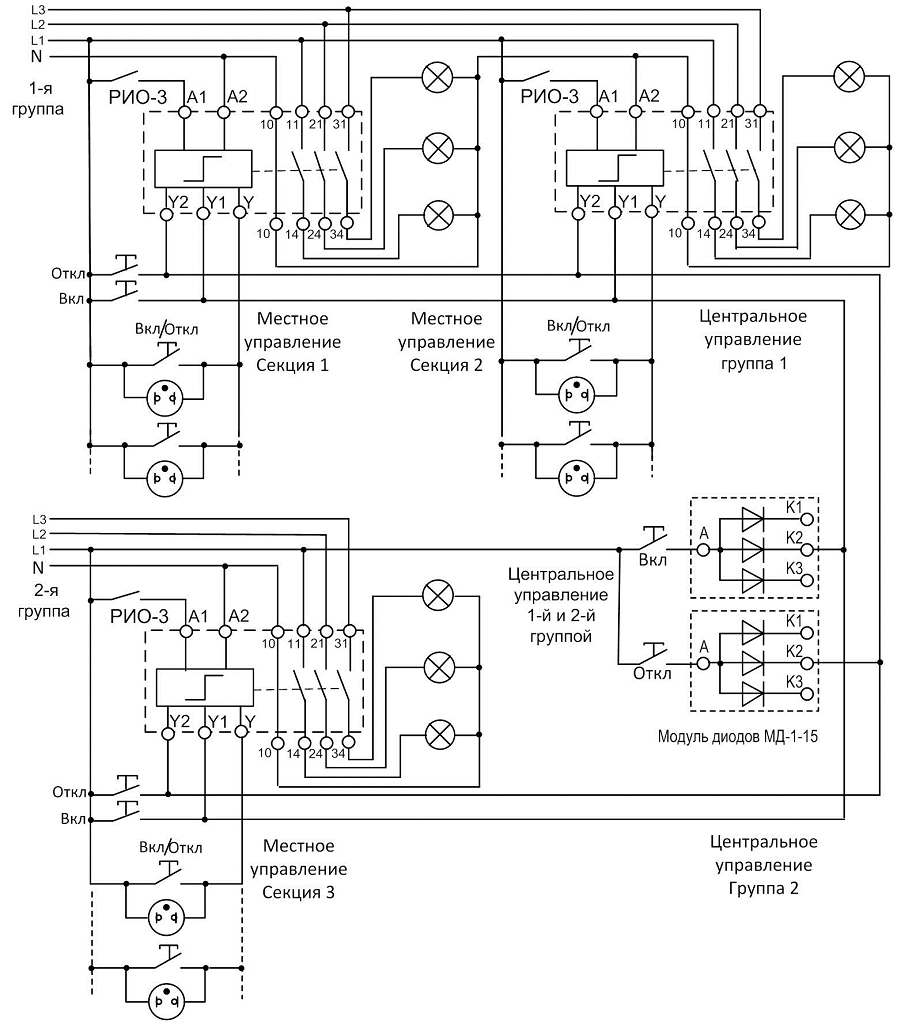
Импульсное реле РИО-3 предназначено для управления трёхфазными (трековыми) системами освещения для выставочных залов, магазинов, жилых помещений, подсветки зданий и т.п. Реле обеспечивает возможность дистанционного управления светильниками с помощью клавишных кнопок с подсветкой. Входы управления позволяют формировать системы освещения по секциям, группам секций или обеспечивать централизованное управления всей системой освещения.
КОНСТРУКЦИЯ РЕЛЕ
Устройство устанавливается на монтажную рейку-DIN шириной 35мм (ГОСТ Р МЭК 60715-2003) с передним подключением проводов питания коммутируемых электрических цепей. Клеммы устройства обеспечивают подключение проводов сечением до 35мм2.
РАБОТА РЕЛЕ
Реле не требует оперативного питания. Реле имеет четыре входа управления.
Вход «Статическое управление» (А1) обеспечивает работу реле в качестве электромагнитного контактора. При подаче сигнала на вход (А1) контакты замыкаются, при этом сигналы поступающие с любого другого входа игнорируются. При снятии сигнала со входа (А1) контакты реле размыкаются. Вход (А1) имеет высший приоритет (Приоритет 1).
Вход «Y» обеспечивает последовательное изменение состояния контактов реле на противоположное. Вход «Y» не имеет приоритета.
Вход «Y2» обеспечивает размыкание контактов реле. Вход «Y2» имеет приоритет 2. При наличии сигнала по входу «Y2» сигналы по входу «Y1» и «Y» игнорируются.
Вход «Y1» обеспечивает замыкание контактов реле. Вход «Y1» имеет приоритет 3. При наличии сигнала по входу «Y1» сигналы по входу «Y» игнорируются.
Допускается использование реле для построения двухфазных и однофазных систем освещения.
Вход «Статическое управление» (А1) обеспечивает работу реле в качестве электромагнитного контактора. При подаче сигнала на вход (А1) контакты замыкаются, при этом сигналы поступающие с любого другого входа игнорируются. При снятии сигнала со входа (А1) контакты реле размыкаются. Вход (А1) имеет высший приоритет (Приоритет 1).
Вход «Y» обеспечивает последовательное изменение состояния контактов реле на противоположное. Вход «Y» не имеет приоритета.
Вход «Y2» обеспечивает размыкание контактов реле. Вход «Y2» имеет приоритет 2. При наличии сигнала по входу «Y2» сигналы по входу «Y1» и «Y» игнорируются.
Вход «Y1» обеспечивает замыкание контактов реле. Вход «Y1» имеет приоритет 3. При наличии сигнала по входу «Y1» сигналы по входу «Y» игнорируются.
Допускается использование реле для построения двухфазных и однофазных систем освещения.
|
Параметр
|
Ед.изм.
|
РИО-3-63
|
|
Питание
|
В
|
АС230 ± 10%
|
|
Минимальное время подачи сигнала управления, не менее
|
с
|
0,3
|
| Время во включённом состоянии (по любому входу) | не ограничено | |
|
Количество кнопочных выключателей с индикатором тлеющего разряда с током 1мА по входу «Y», не более
|
шт.
|
20
|
|
Количество кнопочных выключателей с индикатором тлеющего разряда с током 1мА по входу «Y1», «Y2», не более
|
шт.
|
5
|
|
Задержка срабатывания реле, не более
|
с
|
0,25
|
| Максимальное коммутируемое напряжение |
В
|
AC 250
|
|
Номинальный коммутируемый ток
|
А
|
63
|
|
Максимальный коммутируемый ток (<4с при скважности 10)
|
А
|
80
|
|
Максимальная нагрузка лампами накаливания
|
Вт
|
7500
|
| Максимальная нагрузка люминесцентными лампами (некомпенсированная) cosφ=0,5 | шт. | 90 х 36Вт / 50 х 65Вт |
|
Максимальная коммутируемая мощность: АС 250 В 50 Гц (АС1)
|
ВА/Вт
|
15000
|
|
Минимальная коммутируемая мощность (100В/5мA)
|
мВт
|
500
|
| Ток перегрузки/время воздействия без сваривания контактов | А/мс | 2000/10 |
| Ток короткого замыкания без разрушения | А | 3000 |
| Электрическая прочность (питание-контакты) (50Гц - 1мин) | В | АС2000 |
|
Механическая износостойкость, не менее
|
циклов
|
10х106
|
|
Электрическая износостойкость, не менее
|
циклов
|
100000
|
|
Диапазон рабочих температур
|
0С
|
-25…+55
|
|
Температура хранения
|
0С
|
-40...+70
|
| Степень защиты по корпусу/по клеммам по ГОСТ 14254-96 | IP40/IP20 | |
|
Относительная влажность воздуха
|
%
|
до 80 (при 250С)
|
| Высота над уровнем моря | до 2000 | |
|
Масса
|
кг
|
0,5
|
ДИАГРАММЫ РАБОТЫ РЕЛЕ
СХЕМА ПОДКЛЮЧЕНИЯ
На клемму А2 подключается нейтраль.
ГАБАРИТНЫЕ РАЗМЕРЫ РЕЛЕ
ТУ 3425-003-31928807-2014
Сертификат соответствия EAC: смотреть
Форум и обсуждения - здесь
| Наименование |
Заказной код
(артикул)
|
Наименование файла | Файл для скачивания | Дата файла |
| РИО-3-63 АС230В УХЛ4 | 4640016938926 | Руководство по эксплуатации | PDF Скачать v09 | 04.25 |
| PDF Скачать v08 | 05.24 |
Русский




