Реле ограничения пусковых токов МРП-101, МРП-108
|
МРП-101 АС230 УХЛ4
|
стандарт |
1365.00 руб. с НДС
|
| МРП-101 АС230 УХЛ2 | спец. |
1885.00 руб. с НДС
|
| МРП-108 АС230 УХЛ4 | спец. |
1365.00 руб. с НДС
|
| МРП-108 АС230 УХЛ2 | спец. |
1885.00 руб. с НДС
|
-
Ограничение пускового тока емкостных нагрузок до 30А (МРП-101) и 8А (МРП-108)
-
Максимальная ёмкость нагрузки - 1500мкФ:
-
МРП-101 максимальный ток нагрузки - 8А, максимальный ток нагрузки - 8А
-
МРП-108 максимальный ток нагрузки - 8А (для блоков питания время включения которых более 0,4 сек.) и 3А (для блоков питания время включения которых менее 0,4 сек.)
-
Встроенный термопредохранитель
-
Подключается МЕЖДУ выключателем и нагрузкой
-
Подключение входных цепей не критично, сверху или снизу
-
Ширина корпуса 13мм
НАЗНАЧЕНИЕ РЕЛЕ
Реле ограничения пускового тока МРП-101 и МРП-108 (далее реле) предназначено для уменьшения пусковых токов при включении импульсных БП, драйверов светодиодных лент, светодиодных светильников и т.п.
КОНСТРУКЦИЯ РЕЛЕ
Реле выпускаются в унифицированном пластмассовом корпусе с передним присоединением проводов питания и коммутируемых электрических цепей. Крепление осуществляется на монтажную рейку-DIN шириной 35мм (ГОСТ Р МЭК 60715-2003) или на ровную поверхность. Для установки реле на ровную поверхность, замки необходимо раздвинуть. . Для защиты от возможного перегрева в схему устройства интегрирован одноразовый термопредохранитель. Конструкция клемм обеспечивает надёжный зажим проводов сечением до 2,5мм2.
ВНИМАНИЕ: Момент затяжки винтового соединения должен составлять 0,4 Нм. Следует использовать отвертку 0,6*3,5мм
РАБОТА РЕЛЕ МРП-101
При подаче питания на устройство контакты встроенного реле разомкнуты, происходит заряд входной емкости нагрузки через встроенный резистор. Ток заряда ограничивается резистором. Через фиксированное время контакты встроенного реле замыкаются и шунтируют резистор. В дальнейшем реле на работу нагрузки влияния не оказывает. Светодиодный индикатор «U» сигнализирует о наличии напряжения питания на устройстве.
ВНИМАНИЕ: В конструкции изделия применено поляризованное электромагнитное реле с двумя устойчивыми состояниями. Одиночные удары во время транспортировки могут привести к самопроизвольному переключению контактов. Неправильное положение контактов перед первым включением реле не является признаком дефектности реле. При первом включении исходное (выключенное) состояние контактов восстанавливается. Не устанавливать реле в зоне повышенной вибрации или рядом с приборами, вызывающими вибрацию при срабатывании (например мощные пускатели и др.).
РАБОТА РЕЛЕ МРП-108
При подаче питания на устройство контакты встроенного реле разомкнуты, происходит заряд входной емкости нагрузки через встроенный резистор. Ток заряда ограничивается резистором. Через фиксированное время контакты встроенного реле замыкаются и шунтируют резистор. В дальнейшем реле на работу нагрузки влияния не оказывает. Встроенный резистор защищен термопредохранителем. Светодиодный индикатор «U» сигнализирует о наличии напряжения питания на устройстве.
ВНИМАНИЕ: Максимальный ток реле рассчитывается от используемых БП. При встроенной в блок питания задержке включения 400 мс или более максимальный коммутируемый ток равен 8А. При отсутствии в блоке питания задержке включения или она менее 400 мс максимальный коммутируемый ток не должен превышать 3А!
ВНИМАНИЕ: В конструкции изделия применено поляризованное электромагнитное реле с двумя устойчивыми состояниями. Одиночные удары во время транспортировки могут привести к самопроизвольному переключению контактов. Неправильное положение контактов перед первым включением реле не является признаком дефектности реле. При первом включении исходное (выключенное) состояние контактов восстанавливается. Не устанавливать реле в зоне повышенной вибрации или рядом с приборами, вызывающими вибрацию при срабатывании (например мощные пускатели и др.).
|
Параметр
|
Ед.изм.
|
МРП-101
|
МРП-108 | ||||||||||
| Диапазон напряжение питания |
В
|
АС190...250 | |||||||||||
| Частота питающей сети | Гц | 50 | |||||||||||
|
Мощность потребляемая катушкой, не более
|
Вт
|
1
|
|||||||||||
|
Время включения реле, не более
|
с
|
0,15 | 0,6 | ||||||||||
|
Максимальная суммарная мощность подключенных импульсных источников питания
|
Вт | 900 |
900 (для блоков питания, время вкл. которых более 0,4 с) |
||||||||||
| Количество и тип контактов |
1 замыкающий
|
||||||||||||
| Максимальное коммутируемое напряжение | В | 250 | |||||||||||
| Максимальный ток нагрузки: АС250В 50Гц (АС1) |
А
|
8
|
8 (для блоков питания время включения которых более 0,4 сек.)
3 (для блоков питания время включения которых менее 0,4 сек.)
|
||||||||||
|
Максимальная частота коммутаций при ёмкости нагрузки 1500 мкФ, не более
|
цикл/мин
|
2 | |||||||||||
| Электрическая прочность (питание - контакты) | В | АС2000 (50Гц - 1 минута) | |||||||||||
| Механическая износостойкость, не менее | циклов | 10*106 | |||||||||||
| Электрическая износостойкость, не менее | циклов | 100000 | |||||||||||
| Максимальная частота коммутаций, не более | цикл./ч | 120 | |||||||||||
|
Диапазон рабочих температур (по исполнениям)
|
0C
|
-25…+55 (УХЛ4)
-40…+55 (УХЛ2)
|
|||||||||||
|
Температура хранения
|
0C |
-40...+70
|
|||||||||||
|
Климатическое исполнение и категория размещения по ГОСТ 15150-69
|
|
УХЛ4 или УХЛ2
|
|||||||||||
|
Степень защиты реле: по корпусу / по клеммам в соответствии с ГОСТ 14254-96
|
|
IP40/IP20
|
|||||||||||
|
Степень загрязнения в соответствии с ГОСТ 9920-89
|
|
2
|
|||||||||||
|
Относительная влажность воздуха
|
%
|
до 80 (при 250C)
|
|||||||||||
|
Рабочее положение в пространстве
|
|
произвольное
|
|||||||||||
|
Режим работы
|
|
круглосуточный
|
|||||||||||
|
Габаритные размеры
|
мм
|
13х93х62
|
|||||||||||
|
Масса (брутто)
|
кг
|
0,06
|
|||||||||||
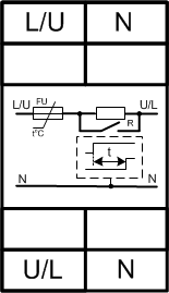
СХЕМЫ ПОДКЛЮЧЕНИЯ МРП-101
ГАБАРИТНЫЕ РАЗМЕРЫ
ТУ 3425-003-31928807-2014
Сертификат соответствия EAC: смотреть
Форум и обсуждения - здесь
| Наименование |
Заказной код (артикул) |
Наименование файла | Файл для скачивания | Дата файла |
|
МРП-101 AC230В УХЛ4 МРП-101 AC230В УХЛ2 |
4680019911496 2000016933895 |
Руководство по эксплуатации | PDF Скачать v14 | 04.25 |
| PDF Скачать v13 | 05.24 | |||
| 3D модель | STEP Скачать | 02.21 | ||
|
МРП-108 AC230В УХЛ4 МРП-108 AC230В УХЛ2 |
2000016935561 2000016935578 |
Руководство по эксплуатации | PDF Скачать v04 | 04.25 |
| PDF Скачать v03 | 05.24 |
Русский





