Модуль аварийного ввода резерва МАВР-3-31М (работа с генераторной установкой), предназначен для работы в четырёхпроводных сетях 230/400В с изолированными нулями, управление магнитными пускателями или коммутационными аппаратами с контролем их состояния
СНЯТ С ПРОИЗВОДСТВА ФУНКЦИОНАЛЬНАЯ ЗАМЕНА МАВР-4-31М (в разработке)
| МАВР-3-31М УХЛ4 | по запросу |
- Внутреннее формирование оперативного напряжения питания
- Установка порогов Uмин и Uмакс раздельно для Ввода 1 и Ввода 2
- Контроль наличия, чередования, обрыва фаз для Ввода 1 и Ввода 2
- Установка времени включения, отключения
- Нагрузочная способность контактов управления - 16А/АС250V
- Реле аварийной сигнализации
- Возможность дистанционной блокировки кнопок лицевой панели
ПРИМЕНЕНИЕ МОДУЛЯ АВТОМАТИЧЕСКОГО ВВОДА РЕЗЕРВА МАВР-3-31М
Модуль автоматического ввода резерва МАВР-3-31М представляет собой устройство управления, предназначенное для автоматического переключения на резервную линию при неисправности или отключении рабочей линии. Устройство предназначено для работы в составе шкафов (блоков) управления автоматическим включением резервного питания в системах бесперебойного электроснабжения 3-х фазных электроприёмников I и II категории подключения согласно требованиям ПУЭ.
НАЗНАЧЕНИЕ МОДУЛЯ
Модуль предназначен для управления автоматическим переключением нагрузки от одного источника питания на другой и обратно в автоматическом режиме работы при недопустимых отклонениях напряжения или аварии на рабочем вводе (снижение/превышение установленных порогов напряжения, изменения порядка чередования фаз, обрывах одной или нескольких фаз). Модуль обеспечивает запуск и безаварийную остановку генераторной установки, контроль состояния коммутационных механизмов и индикацию состояния устройств защиты.
КОНСТРУКЦИЯ МОДУЛЯ
Модуль предназначен для щитового монтажа. Материал корпуса - пластик AБС. Монтаж производится в установочное отверстие габаритными размерами 137х137мм. Для фиксации используются два кронштейна, входящие в комплект поставки.
На лицевой панели размещена мнемоническая схема, светодиодные индикаторы фазовых напряжений «L1», «L2», «L3», индикаторы превышения пороговых значений «<U» и «>U», индикатор готовности ввода «ГОТОВ», индикаторы состояния коммутационных механизмов «ОТКЛ», «УДАЛЕН», индикатор «АВАРИЯ», индикатор автоматического режима «АВТО», индикатор наличия резервного питания «ПИТАНИЕ», кнопки управления коммутационными механизмами «ВВОД1» и «ВВОД2», кнопка сброса «СТОП», кнопка включения автоматического режима «АВТО».
На коммутационной панели размещены предохранители цепей оперативного питания с индикацией исправности предохранителя для каждого ввода, разъёмы подключения Х1-ВВОД1 и Х2-ВВОД2, разъём подключения оперативного питания Х3-«Uопер.», разъёмы подключения коммутационных механизмов Х7-«ВВОД1», Х6-«ВВОД2», разъём подключения внешнего аварийного устройства Х8-«АВАРИЯ», разъем запуска генератора Х5-«ЗАПУСК ГЕНЕРАТОРА», разъём подключения питания от аккумулятора Х4-«АККУМУЛЯТОР», разъём подключения сигнальных контактов Х9-«ВХОДЫ», к разъёмам Х10,Х11-Uопер1 и Uопер2 подключаются независимые источники питания. Переключатели установки пороговых значений напряжения «Uмакс», «Uмин» для каждого ввода1 и для ввода2, переключатели установки задержек «Время вкл.», «Время откл.», «Время охлаждения», блок микропереключателей установки режимов работы «Режимы».
ПРИНЦИП ДЕЙСТВИЯ МОДУЛЯ
Модуль представляет собой готовое к эксплуатации устройство состоящее из трёх независимых электронных блоков: двух блоков контроля параметров трёхфазной четырёхпроводной сети (контроль напряжения) и микропроцессорного блока.
Блок контроля напряжения каждого ввода имеет светодиодную индикацию текущего состояния ввода. Питание модуля осуществляется от фазы «L1» и нейтрали «N» любого ввода в зависимости от того, какой ввод является рабочим. Вводы имеют гальваническую развязку между собой и с микропроцессорным блоком.
Микропроцессорный блок анализирует готовность основного и резервного вводов, уставки блока переключателя режимов, текущее состояние дискретных входов, после чего осуществляет выдачу сигналов управления на встроенные реле управления и индикаторы лицевой панели. Управление коммутационными механизмами осуществляется через сухие контакты встроенных реле. Питание модуля обеспечивается от линии резервного питания (аккумулятора) при отсутствии фаз «L1» ВВОДА1 и ВВОДА2.
НАЗНАЧЕНИЕ ОРГАНОВ УПРАВЛЕНИЯ, ИНДИКАЦИИ И ПОДКЛЮЧЕНИЯ
Передняя панель МАВР-3-31М
Задняя панель МАВР-3-31М
РЕЖИМЫ УПРАВЛЕНИЯ
Ручной:
Ручной ввод используется для включения выбранного ввода с помощью кнопок «ВВОД1» или «ВВОД2».
Установка режима ручного управления из состояния готовности производится нажатием кнопки «ВВОД1» или кнопки «ВВОД2». При нажатии кнопки «ВВОД2» активируется программа запуска генератора.
ВНИМАНИЕ: Для безаварийного приема нагрузки от генератора следует учитывать время прогрева двигателя генератора. Для этого необходимо установить время «Твкл», достаточное для полного прогрева двигателя генератора. Время «Твкл.» определяется исходя из температуры окружающего воздуха и характеристик генераторной установки.
Смена ввода в режиме ручного управления производится нажатием на кнопку «ВВОД1». Переключение коммутационных устройств производится автоматически по программе управления. Работа коммутационных устройств отображается светодиодными индикаторами. Отключение двигателя генератора производится по истечении времени «Тохл.».
ВНИМАНИЕ: Повторное включение генератора, после его отключения, допускается через 5 минут (программная уставка - не корректируется), нажатием на кнопку «ВВОД2».
При работе в ручном режиме управления светодиод кнопки «АВТО» выключен. Для перехода в автоматический режим управления необходимо нажать и удерживать кнопку «АВТО» до момента включения светодиода «АВТО».
Аварийная сигнализация:
Аварийная сигнализация предназначена для привлечения внимания при нарушении нормальной работы рабочего ввода, аварии на рабочем вводе и выдачи команды об аварийном состоянии на релейный выход (сухие контакты).
Аварийная сигнализация находится во включенном состоянии до устранения аварии на рабочем вводе или до нормального приема нагрузки с резервного ввода. При устранении аварийного состояния рабочего ввода и восстановления питания нагрузки аварийная сигнализация отключается автоматически.
ВНИМАНИЕ: Принудительное отключение аварийной сигнализации производится нажатием на кнопку «СТОП». При этом производится отключение коммутационных устройств и модуль переводится в состояние ожидания.
Режим сброса:
Кнопка «СТОП» предназначена установки модуля в исходное состояние. При нажатии кнопки «СТОП» отключается активный ввод, выключается генератор, если питание производилось от резервного ввода, модуль переходит в состояние ожидания внешней команды. При этом светодиод кнопки «АВТО» мигает. Сигнализация аварийного состояния в режиме ожидания внешней команды отключена. В этом режиме модуль выполняет только функции индикации состояния входов и коммутационных устройств. Все релейные выходы находятся в выключенном состоянии.
Автоматический:
Автоматический режим работы используется для постоянного контроля состояния рабочего ввода (ввод1) и автоматического запуска генератора и переключения нагрузки на резервный ввод (ввод2), при нарушении электроснабжения на основном вводе. Автоматический режим работы предусматривает безаварийное отключение генератора и переключение нагрузки на основной ввод (ввод1) при восстановлении питания в пределах установленных значений.
Приоритет ввода1 установлен программно - не корректируется.
Установка автоматического режима управления производится из состояния ожидания нажатием и удержанием на кнопки «АВТО» до момента постоянного включения индикатора «АВТО».
|
Параметр
|
Ед.изм.
|
МАВР-3-31М
|
|
Тип контролируемых линий ( 3-х фазная, 4-х проводная)
|
|
L1, L2, L3, N
|
|
Количество контролируемых вводов
|
|
2
|
|
Напряжение питания ввод1, ввод2
|
В
|
150-330
|
|
Частота сети
|
Гц
|
47-60
|
| Напряжение резервного питания (Аккумулятор) | В | +12...24 |
|
Максимальное напряжение коммутации/при токе
|
В/А
|
AC400/5*
|
|
Максимальный ток нагрузки, АС1/при напряжении
|
А/В
|
16/AC250*
|
| Уровень логического нуля по входам обратных связей | В | 0...0,8 |
| Уровень логической единицы по входам обратных связей | В | 4...15 |
|
Пороги отключения Ввод 1, Ввод 2 по Uмакс
|
В
|
240, 250, 260, 265, 270, 275, 280,285, 290, 295
|
|
Пороги отключения Ввод 1, Ввод 2 по Uмин
|
В
|
165, 170, 175, 180, 185, 190, 195,200, 210, 220
|
| Погрешность порога срабатывания | %Uном | ±1,5 |
| Ширина зоны «гистерезиса» порога срабатывания | %Uном | ±2,5 |
|
Задержка на отключение
|
с
|
0,1, 0,5, 1, 2, 3, 5, 10, 20, 30, 60
|
|
Задержка на включение
|
|
0,1с, 1с, 3с, 15с, 30с, 1мин, 2мин, 3мин, 6мин
|
| Время охлаждения | 1с, 30с, 1мин, 5мин, 10мин, 20мин, 30мин, 40мин, 50мин, 60мин | |
|
Контроль обрыва фазы
|
|
есть
|
|
Контроль чередования фаз
|
|
есть
|
|
Контроль слипания фаз
|
|
есть
|
|
Коммутационная износостойкость
|
|
>106
|
|
Электрическая износостойкость
|
|
>104
|
|
Диапазон рабочих температур
|
0C
|
-20...+55
|
|
Температура хранения
|
0C
|
-40...-70
|
|
Помехоустойчивость от пачек импульсов в соответствии с
ГОСТ Р 51317.4.4-99 (IEC/EN 61000-4-4) |
|
уровень 3 (2кВ/5кГц)
|
|
Помехоустойчивость от перенапряжения в соответствии с
ГОСТ Р 51317.4.5-99 (IEC/EN 61000-4-5) |
|
уровень 3 (2кВ L1-L2)
|
|
Климатическое исполнение и категория размещения по
ГОСТ 15150-69 (без образования конденсата) |
|
УХЛ4
|
|
Степень защиты по корпусу/по клеммам по ГОСТ 14254-96
|
|
IP54/IP20
|
|
Степень загрязнения в соответствии с ГОСТ 9920-89
|
|
2
|
|
Относительная влажность воздуха
|
%
|
до 80 (при 250C)
|
|
Высота над уровнем моря
|
м
|
до 2000
|
|
Рабочее положение в пространстве
|
|
произвольное
|
|
Режим работы
|
|
круглосуточный
|
|
Габаритные размеры
|
м
|
0,144х0,144х48
|
|
Масса, не более
|
кг
|
0,74
|
|
* - Обязательное применение цепей защиты от коммутационных выбросов
|
||
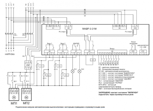
СХЕМЫ ПОДКЛЮЧЕНИЯ
Подключение нагрузки автоматическими выключателями с моторными приводами
RC цепь не обязательна, но рекомендуется к применению. Пример расчета параметров тут.
Мы производим удобную готовую снаберную цепь - http://meandr.ru/sb-2-1
Подключение нагрузки магнитными пускателями
RC цепь не обязательна, но рекомендуется к применению. Пример расчета параметров тут.
Мы производим удобную готовую снаберную цепь - http://meandr.ru/sb-2-1
ГАБАРИТНЫЕ РАЗМЕРЫ МОДУЛЯ
ТУ 3425−003−31928807−2014
Русский





Скачать