Импульсное реле управления освещением РИО-2 (реле памяти) с задержкой отключения до 20 мин. и возможностью работы с обычными выключателями
![]() |
|
РИО-2 АС230В УХЛ4
|
стандарт |
1981.00 руб. с НДС
|
| РИО-2 АС230В УХЛ2 | спец.изделие | 2733.00 руб. с НДС |
|
РИО-2 АСDC24В УХЛ4
|
спец.изделие |
2733.00 руб. с НДС
|
-
Три режима управления: - импульсное реле, перекрёстные выключатели, автоматический таймер
-
Позволяет управлять освещением из нескольких мест; - в коридоре, на лестнице, во всем доме и т.п.
-
Для уменьшения пусковых токов нагрузка подключается при переходе сетевого напряжения через ноль, технология "zero sync"™ (для АС230В)
-
Экономит провода – для кнопок можно использовать провода с меньшим сечением, чем для силовой цепи
-
Повышает комфорт управления - одним выключателем можно, выключить все осветительные приборы
-
Режим экономии электроэнергии - функция автоматического таймера
-
Возможность использования датчика движения
НАЗНАЧЕНИЕ РЕЛЕ
Реле импульсное освещения РИО-2 предназначено для дистанционного управления освещением в коридоре, на лестнице, этаже и т.п. с помощью параллельно соединённых кнопок с подсветкой. Дополнительные входы управления позволяют централизованно включать или выключать свет во всем доме, в зависимости от установленного режима работы организовывать различные схемы управления освещением. Использование блока диодов МД-3 позволяет формировать многоуровневые схемы управления освещением.
КОНСТРУКЦИЯ РЕЛЕ
Реле выпускаются в унифицированном пластмассовом корпусе с передним подключением коммутируемых электрических цепей. Крепление осуществляется на рейку-DIN шириной 35мм (ГОСТ Р МЭК 60715-2003) или на ровную поверхность. Для установки реле на ровную поверхность пружины замков необходимо переставить в крайние отверстия, фиксирующие пружину замка, которые расположены на тыльной стороне корпуса. Конструкция клемм обеспечивает зажим проводов сечением до 2,5мм2. На лицевой панели расположен переключатель режимов и установки времени отключения освещения для режима автоматического таймера, а так же индикатор наличия сетевого напряжения «U» и индикатор состояния контактов исполнительного реле «К».
Отличительная особенность наших реле памяти: ВКЛЮЧЕНИЕ НАГРУЗКИ ПРИ НУЛЕВОМ НАПРЯЖЕНИИ СЕТИ (в момент перехода синусоиды через ноль - zero crossing). Это означает, что импульсное реле может работать со светильниками, имеющими большие пусковые токи при включении (светодиодные, люминесцентные, натриевые и пр.). Уменьшение пусковых токов при включении позволяет применять автоматические выключатели меньшего номинала (например: вместо С16 - В10 или даже В6).
РАБОТА РЕЛЕ
Реле требует оперативного питания. Питание осуществляется от сети освещения. Особенностью реле является использование технологии синхронной коммутации контактов - «zero sync» (только для версии на 230 В), что обеспечивает высокую нагрузочную способность контактной группы. Замыкание и размыкание контактов производится в момент перехода сетевого напряжения через «0», что обеспечивает ограничение броска тока в момент замыкания или размыкания контактов. Реле имеет три входа управления имеющие различные назначения в зависимости от установленного режима работы. Датчик движения подключается к контакту Y1.
Режим 1 - режим импульсного реле. При поступлении команды управления на вход «Y1»(Вкл.) контакты А1-14 замыкаются. При поступлении команды управления на вход «Y2»(Откл.) контакты А1-14 размыкаются. При поступлении команды управления на вход «Y»(Вкл./Откл.) состояние контактов А1-14 меняется на противоположное. Индикатор «U» - наличие линейного напряжения. Индикатор «К» – показывает состояние контактов реле, индикатор включён контакты замкнуты. Работа в режиме импульсного реле позволяет производить управление группами осветительных приборов по двум проводам при построении систем освещения для одной или нескольких групп осветительных приборов. Возможна работа с датчиком движения (включение по датчику , выключение по кнопке или по времени *).
Режим 2 - режим 3-х перекрёстных переключателей. Управление исполнительным реле производится по каждому входу имитируя работу трёх переключателей с фиксированным положением контактов в состоянии «вкл» или «откл». Режим перекрёстных переключателей позволяет управлять освещением любым из трёх переключателей, расположенными в различных местах помещения, в независимости от положения в котором находится каждый переключатель.
Режим 3 - режим автоматического таймера. Режим предназначен для автоматического отключения освещения по отсчёту времени установленного пользователем. Отключение производится автоматически по истечении времени задержки. Если до истечения времени задержки поступает сигнал управления на включение, время начинает отсчитываться заново (без выключения нагрузки), при многократном сигнале время суммируется. Режим работы реле выбирается положением указателя переключателя на лицевой панели.
* - функция доступна в реле выпуска с 12.2015г.
ВНИМАНИЕ: Положение контактов при поставке может быть произвольным, при первом срабатывании исходное (выключенное) состояние контактов восстанавливается.
|
Параметр
|
Ед.изм.
|
РИО-2 AC230В
|
РИО-2 ACDC24В | |
| Номинальное напряжение | В | AC 230 | AC / DC 24 | |
| Диапазон напряжения питания |
В
|
АС 190…250 | AC / DC 21,6…26,4 | |
|
Минимальное время подачи сигнала управления, не менее
|
с
|
0,3
|
||
|
Количество кнопочных выключателей с индикатором тлеющего разряда с током 1мА по входу «Y», не более
|
шт.
|
не более 20 |
-
|
|
|
Количество кнопочных выключателей с индикатором тлеющего разряда с током 1мА по входу «Y1», «Y2», не более
|
шт.
|
не более 5 |
-
|
|
| Время задержки для режима автоматического выключателя, tоткл. | мин | 0,5, 1, 1.5, 2, 3, 5, 10, 20 | ||
|
Задержка срабатывания реле, не более
|
с
|
0,25
|
||
| Время между командами управления по одному входу, не менее | c | 2,5 | ||
| Максимальное коммутируемое напряжение |
В
|
AC 250
|
AC / DC 30 | |
| Максимальный ток нагрузки (АС 250 В 50 Гц (АС1), DC 30 В (DC1), не более 1 минуты) |
А
|
16
|
||
| Максимальный долговременный ток нагрузки | A | 12 | ||
|
Максимальная нагрузка лампами накаливания
|
Вт
|
2000 | 240 | |
|
Максимальная нагрузка люминисцентными лампами (некомпенсированная) cosφ=0,5
|
шт.
|
25х36Вт; |
- | |
|
Максимальная коммутируемая мощность: АС250В 50Гц (АС1)/DC30В (DC1)
|
ВА/Вт
|
4000/480
|
||
|
Механическая износостойкость, не менее
|
циклов
|
10х106
|
||
|
Электрическая износостойкость, не менее
|
циклов
|
100000
|
||
|
Электрическая прочность (питание-контакты) (50Гц - 1мин)
|
В
|
АС2000
|
||
|
Максимальная частота коммутаций, не более
|
комм./ч
|
600
|
||
|
Количество и тип контактов
|
|
1 замыкающий |
||
|
Диапазон рабочих температур
|
0С
|
-25 … +55 (УХЛ4)
-40 … +55 (УХЛ2)
|
||
|
Температура хранения
|
0С
|
-40...+70 |
||
| Помехоустойчивость от пачек импульсов в соответствии с ГОСТ Р 51317.4.4-99 (IEC/EN 61000-4-4) | уровень 3 (2кВ/5кГц) | - | ||
| Помехоустойчивость от перенапряжения в соответствии с ГОСТ Р 51317.4.5-99 (IEC/EN 61000-4-5) | уровень 3 (2кВ А1-А2) | - | ||
| Климатическое исполнение и категория размещения по ГОСТ 15150-69 (без образования конденсата) | УХЛ4 | |||
| Степень защиты по корпусу/по клеммам по ГОСТ 14254-96 | IP40/IP20 | |||
|
Относительная влажность воздуха (при 25 °C), не более
|
80%
|
|||
|
Рабочее положение в пространстве
|
|
произвольное
|
||
|
Режим работы
|
|
круглосуточный
|
||
|
Габаритные размеры
|
мм
|
18х93х62
|
||
|
Масса
|
кг
|
0,08
|
||
ДИАГРАММЫ РАБОТЫ РЕЛЕ
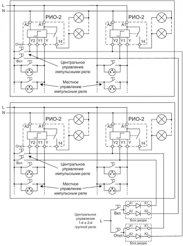
СХЕМЫ ПОДКЛЮЧЕНИЯ РЕЛЕ
Местное и центральное управление несколькими импульсными реле
Каждым импульсным реле управляют с места при помощи кнопок (местное управление); каждым уровнем или комплектом импульсных реле управляют одновременно с соответствующего места (центральное управление)
Местное, центральное, центральное многоуровневое управление
Каждым импульсным реле управляют с места при помощи кнопок (местное управление); каждым уровнем или комплектом импульсных реле управляют одновременно с соответствующего места (центральное управление); всеми уровнями одновременно управляют одной командой с одного места (центральное многоуровневое управление).
ГАБАРИТНЫЕ РАЗМЕРЫ РЕЛЕ
ТУ 3425-003-31928807-2014
Сертификат соответствия EAC: смотреть
Форум и обсуждения - здесь
| Наименование |
Заказной код
(артикул)
|
Наименование файла | Файл для скачивания | Дата файла |
|
РИО-2 АС230В УХЛ4 РИО-2 ACDС24В УХЛ4 РИО-2 АС230В УХЛ2 |
4640016933815 4640016938476 2000016934489 |
Руководство по эксплуатации | PDF Скачать v16 | 11.25 |
| PDF Скачать v15 | 11.25 | |||
| 3D модель | STEP Скачать | 08.21 |
Русский




