Модуль автоматического ввода резерва МАВР-4-31М
|
МАВР-4-31М УХЛ4
|
стандарт |
21589.00 руб. с НДС
|
- Внешнее формирование напряжения оперативного питания
- Установка порогов Uмин и Uмакс для Ввода1 и Ввода2
- Контроль наличия, чередования, обрыва фаз для Ввода 1 и Ввода 2
- Установка времени включения, отключения и возврата на приоритетный ввод
- Нагрузочная способность контактов управления механизмами 10А
- Нагрузочная способность контактов оперативного питания 5А
- Встроенное реле для аварийной сигнализации
- Возможность дистанционной блокировки кнопок лицевой панели
- Удаленное управление и считывание состояний вводов и нагрузок по протоколу Modbus RTU через интерфейс RS485
БЕСПЛАТНОЕ ПО для управления МАВР - скачать (Windows)
ВНИМАНИЕ! ПО в МАВРах не работает с адаптерами компании Moxa.
ПО работает с:
https://www.sparkfun.com/products/9822
https://roboshop.spb.ru/modules/interfejsy-i-perekhodniki/rs485/ft232
| Назначение | Описание |
| Индикация состояния Ввода1 и Ввода2 |
L1, L2, L3 индикаторы состояния фаз (зеленый – норма, красный – авария, одновременное мигание зеленым/красным - слипание фаз). U< и U> индикаторы вида аварии по вводу: Зеленый индикатор ГОТОВ - состояние готовности к подключению нагрузки. Горит - ввод готов к подключению нагрузки, не горит - не готов. |
| Индикация состояния оперативного питания |
Uопер1 и Uопер2 - индицирует состояние оперативного питания: - зеленый включен, из этого источника сформировано оперативное питание, он активен; |
| Управление и состояние коммутационными механизмами Ввода1 и Ввода2 |
ВВОД1 и ВВОД2 – кнопки изменения режима работы АВР. Желтый индикатор – состояние коммутационного механизма ввода. Горит - коммутационный механизм включен, не горит - выключен. Мигает - происходит переключение, мигает дважды - ошибка обратной связи (переключение не произошло, либо произошло самопроизвольное переключение). |
| Управление и состояние ГУ |
Вкл./Выкл. – кнопка принудительного запуска ГУ. Желтый индикатор – состояние ГУ. Горит ярко - генератор включен, не горит - выключен. Горит в 1/4 накала - происходит отсчет задержки запуска, горит в 3/4 накала - происходит отсчет задержки остановки. |
| Управление автоматическим режимом работы |
СТОП – кнопка управления режимом работы АВР / остановка работы. АВТО – включение автоматического режима работы АВР. |
| Индикатор аварийного состояния | Красный индикатор АВАРИЯ - включается при срабатывании реле АВАРИЯ. Служит для привлечения внимания обслуживающего персонала |
| НАЗНАЧЕНИЕ ОРГАНОВ УПРАВЛЕНИЯ И ИНДИКАЦИИ НА КОММУТАЦИОННОЙ ПАНЕЛИ МОДУЛЯ |
|
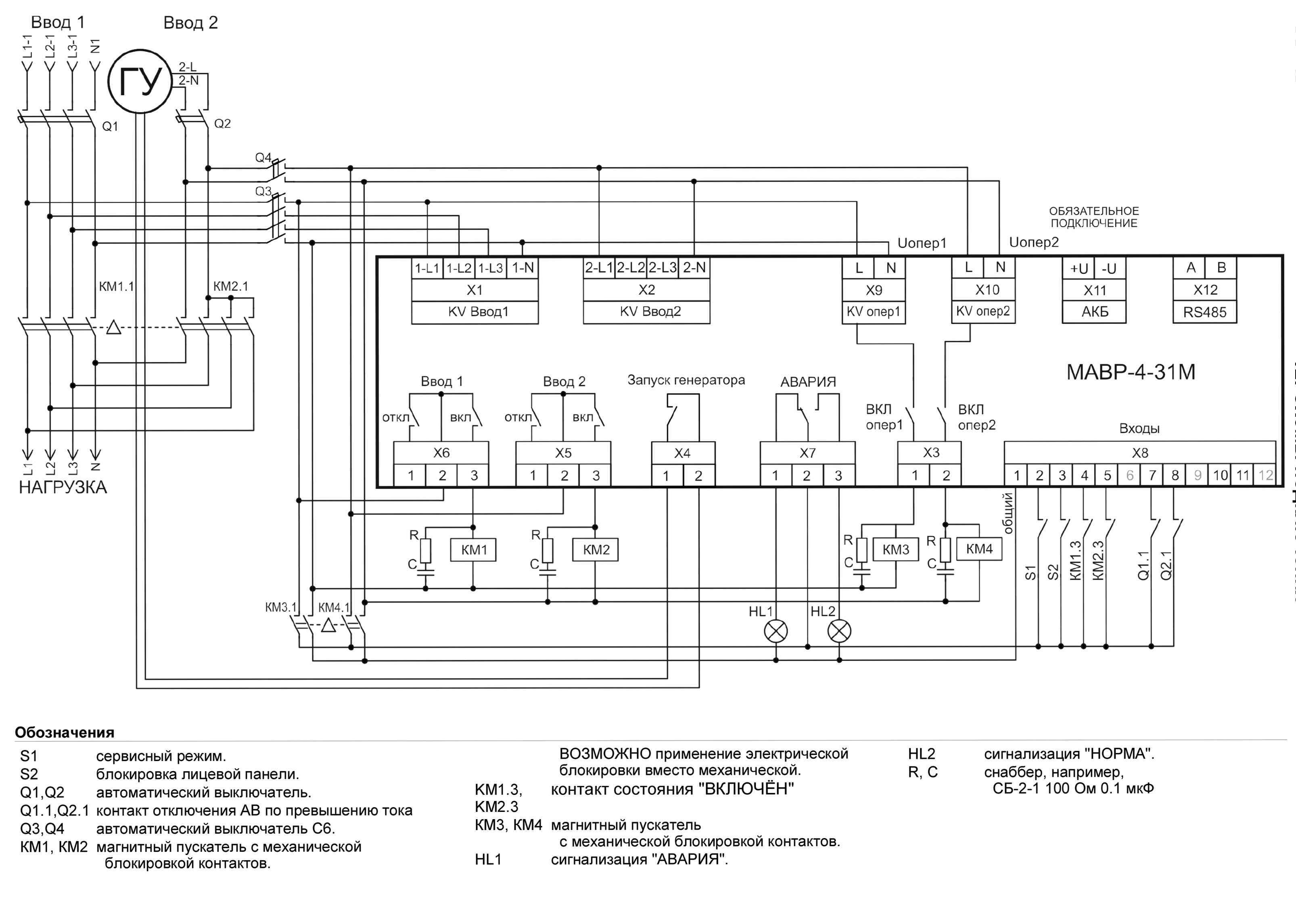
Х1 - разъем для подключения напряжения Ввода1 Х2 - разъем для подключения напряжения Ввода2 Х3 - разъем сигналов формирования оперативного питания Х4 - разъем для подключения сигнала запуска генератора Х5 - разъем для подключения коммутационного механизма Ввода2 Х6 - разъем для подключения коммутационного механизма Ввода1 Х7 - разъем для подключения внешней аварийной сигнализации (сухие контакты) Х8 - разъем дискретных входов модуля для подключения обратных связей и сигналов управления Х9 - Uопер1 - разъем для подключения оперативного питания 1 Х10 - Uопер2 - разъем для подключения оперативного питания 2 Х11 - разъем для подключения питания модуля постоянным током (например АКБ) Х12 - разъем для подключения кабеля RS-485 |
| DIP переключатели предназначены для настройки режимов работы модуля. |
| Поворотные переключатели предназначены для временных настроек и установки пороговых значений контролируемых напряжений. |
- Имеется хоть один сигнал УДАЛЕН;
- Имеется хоть один сигнал ОТКЛ;
- Имеется ошибка хотя бы одной обратной связи коммутационного механизма;
- В режиме АВТО нагрузка не подключена к приоритетному вводу (при включенном приоритете), либо не подключена ни к какому вводу (при выключенном приоритете);
- В режиме Ввод1 либо Ввод2 нагрузка не подключена к Ввод1 либо Ввод2;
- Ни одно оперативное питание не находится в допустимых пределах;
- АВР находится в режиме СТОП.
- Модуль находится в сервисном режиме.
| Параметр | Ед.изм. | Значение |
|
Тип контролируемых линий
|
(3-х фазная, 4-х проводная) (1 фазная, 2-х проводная) |
|
| Количество контролируемых вводов | 2 | |
| Контроль обрыва фазы | есть | |
| Контроль чередования фаз | есть | |
| Контроль слипания фаз | есть | |
|
Допустимое напряжение на разъемах Ввод1, Ввод2
|
В
|
0-330
|
| Частота сети | Гц | 45-65 |
| Максимальное напряжение коммутации X4, X5, X6, X7 | В | 400 /(5А АС)1) |
| Максимальный ток нагрузки X4, X5, X6, X7 | A | 10 / (250В АС)1) |
| Износостойкость механическая контактов реле X4, X5, X6, X7, не менее | Циклов | 1x106 |
| Износостойкость электрическая контактов реле X4, X5, X6, X7, не менее | Циклов |
1x104 |
| Допустимое напряжение на разъемах ОП1, ОП2 | В |
230 (-10% +15%)
кратковременно (до 10 сек.) +30
|
| Потребляемая мощность суммарная по входам ОП1 и ОП2, не более | ВА | 6 |
| Ток через контакты разъёма Uопер, не более | А | 5 (250В AC1)1) |
| Механическая износостойкость контактов реле Uопер, не менее | Цикл | 1x106 |
| Электрическая износостойкость контактов реле Uопер, не менее | Цикл |
1x104 |
| Уровень логического нуля по дискретным входам | В | АС0-10 |
| Уровень логической единицы по дискретным входам | В | 50-300 |
| Порог отключения Ввод 1, Ввод 2 по Uмакс | В | 240, 250, 260, 265, 270, 275, 280,285, 290, 295 |
| Порог отключения Ввод 1, Ввод 2 по Uмин | В | 165, 170, 175, 180, 185, 190, 195,200, 210, 220 |
| Напряжение на входе АКБ DC | В | 11 ... 15 DC |
| Потребляемая мощность по входу АКБ DC, не более | Вт | 5 |
| Погрешность порога срабатывания | % | ±1.5 |
| Гистерезис срабатывания РКН | %Uном | ±2,5 |
| Задержка возврата на приоритетный ввод | с | 0.5, 2, 5, 10, 20, 40, 60, 80, 100, 120 |
| Задержка отключения | с | 0.1, 0.5, 1, 2, 3, 5, 10, 20, 30, 60 |
| Время включения | 0,1с, 1с, 3с, 15с, 30с, 1мин, 2мин, 3мин, 6мин | |
| Климатическое исполнение и категория размещения по ГОСТ 15150-69 (без образования конденсата) | УХЛ4 | |
| Диапазон рабочих температур | 0C | -20 ... +55 |
| Температура хранения | 0C | -40...+70 |
| Относительная влажность воздуха | % | 80 |
| Высота над уровнем моря | м | 2000 |
| Помехоустойчивость от пачек импульсов в соответствии с ГОСТ Р 51317.4.4-99 (IEC/EN 61000-4-4) | уровень 3 (2кВ/5кГц) | |
| Помехоустойчивость от перенапряжения в соответствии с ГОСТ Р 51317.4.5-99 (IEC/EN 61000-4-5) | уровень 3 (2кВ L1-L2) | |
| Степень защиты по корпусу/по клеммам по ГОСТ 14254-96 | IP54/IP20 | |
| Степень загрязнения в соответствии с ГОСТ 9920-89 | 2 | |
| Рабочее положение в пространстве | произвольное | |
| Режим работы | круглосуточный | |
| Габаритные размеры | м | 144 х 144 х 48 |
| Масса, не более | кг | 0,74 |
|
*1)- Обязательно применение цепей защиты от коммутационных выбросов типа снаберный модуль МЕАНДР СБ-2-1
|
||
Схема АВР на магнитных пускателях 3-х фазный ввод и 3-фазный генератор
|
№ операции
|
Описание
|
|
1
|
В выбранном месте на лицевой панели электрощита сделать прямоугольное установочное отверстие размером 137х137 мм.
|
|
2
|
Вставить Модуль в установочное отверстие
|
|
3
|
В боковые прямоугольные отверстия корпуса вставить два кронштейна (крепления) с каждой стороны, как показано на рисyнке
|
|
4
|
Регулировочный винт кронштейна закрутить до пропадания люфта модуля в установочном отверстии щита.
Внимание! Избыточная затяжка винта может привести к неработоспособности кнопок и/или деформации корпуса.
|
| Наименование |
Заказной код
(артикул)
|
Наименование файла | Файл для скачивания | Дата файла |
| МАВР-4-31М УХЛ4 | 4680019912509 | Руководство по эксплуатации | PDF Скачать v07 | 11.24 |
| 3D модель | STEP Скачать v01 | 07.23 |











