Реле времени РВО-08 многофункциональное (7 диапазонов выдержек), дискретная установка, 2 переключающих контакта, широкое питание, исполнение УХЛ2
|
РВО-08 АСDC24-240В УХЛ2
|
спец. изделие |
4051.00 руб. с НДС
|
-
Диапазон выдержки времени от 0,01с до 999ч
-
Установка выдержки времени тремя поворотными переключателями
-
13 диаграмм работы
-
2 переключающие группы контактов 8А/250В
-
Индикатор наличия питания и состояния встроенного реле
НАЗНАЧЕНИЕ РЕЛЕ
Однокомандные реле времени РВО-08 предназначены для коммутации электрических цепей с предварительно установленной выдержкой времени и алгоритмом работы.
КОНСТРУКЦИЯ РЕЛЕ
Реле выпускаются в унифицированном пластмассовом корпусе с передним присоединением проводов питания и коммутируемых электрических цепей. Крепление осуществляется на монтажную рейку - DIN шириной 35мм (ГОСТ Р МЭК 60715 - 2003) или на ровную поверхность. Для установки реле на ровную поверхность, фиксаторы замков необходимо переставить в крайние отверстия, расположенные на тыльной стороне корпуса. Конструкция клемм обеспечивает зажим проводов сечением до 2,5мм2. Имеется возможность пломбирования крышки корпуса. Пломбировочная крышка поставляется отдельно по желанию заказчика. На лицевой панели реле расположены: три дискретных переключателя установки выдержки времени t (установка значений единиц 0-9, десятков 0-9 и сотен 0-9), дискретный переключатель множитель, дискретный переключатель выбора диаграммы работы, зелёный индикатор включения напряжения питания «U», жёлтый индикатор срабатывания встроенного исполнительного реле «
».
».
РАБОТА РЕЛЕ
Реле имеет 7 диапазонов выдержки времени. Требуемая временная выдержка t определяется путём умножения числового значения, установленного на переключателях «единицы», «десятки» и «сотни», на множитель диапазона установленный переключателем «множитель».
Переключатель «множитель» имеет три дополнительных положения:
-
«8» реле работает по диаграмме №8 время t паузы и импульса равны и определяются путём умножения числового значения, установленного на переключателях «единицы», «десятки» и «сотни» на 0,1с;
-
«9» реле работает по диаграмме №9 время t паузы и импульса равны и определяются путём умножения числового значения, установленного на переключателях «единицы», «десятки» и «сотни» на 0,1с;
-
«30» реле работает по диаграмме №30 время t и определяются путём умножения числового значения, установленного на переключателях «единицы», «десятки» и «сотни» на 0,1с.
Диаграмма работы реле выбирается с помощью переключателя «диаграмма». Переключатель имеет десять положений «1»-«2»-«3»-«4»-«11»-«12»-«22»-«23»-«28»-«29» и определяет номер диаграммы работы реле. Если переключатель «множитель» установлен в одно из трёх положений «8», «9» или «30» переключатель «диаграмма» не определяет номер диаграммы.
ВНИМАНИЕ: Смена диаграммы работы и множителей возможна только после снятия напряжения питания.
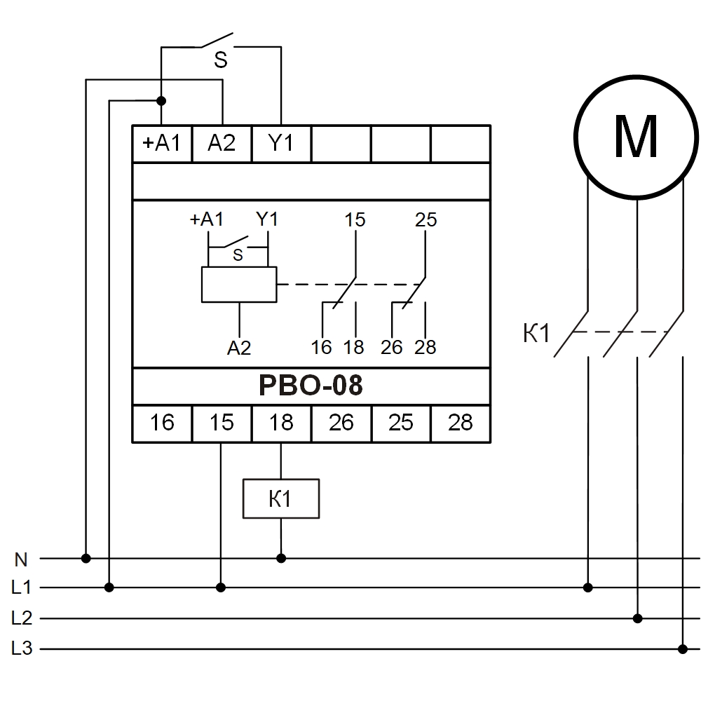
Значения на переключателях «ед», «дес» и «сот», можно изменять при поданном питании на реле. Напряжение питания подаётся на клеммы «+А1» и «А2». Команда внешнего управления подаётся на клемму «Y1» и формируется замыканием сухого контакта «S» между клеммой «Y1» и клеммой «+А1».
В обесточенном состоянии замкнуты контакты 15-16 и 25-26. После подачи напряжения питания загорается зелёный индикатор «U» реле начинает отрабатывать выбранную диаграмму, во время отсчёта заданной выдержки времени зелёный индикатор «U» мигает. При включении реле загорается жёлтый индикатор «» при этом контакты 15-16 и 25-26 размыкаются, а контакты 15-18 и 25-28 замыкаются.
В обесточенном состоянии замкнуты контакты 15-16 и 25-26. После подачи напряжения питания загорается зелёный индикатор «U» реле начинает отрабатывать выбранную диаграмму, во время отсчёта заданной выдержки времени зелёный индикатор «U» мигает. При включении реле загорается жёлтый индикатор «» при этом контакты 15-16 и 25-26 размыкаются, а контакты 15-18 и 25-28 замыкаются.
|
Параметр
|
Ед.изм.
|
РВО-08
|
|
Напряжение питания
|
В
|
АСDC24-240
|
|
Диапазоны выдержек времени
|
|
0,01-9,99с, 0,1-99,9с, 1-999с, 0,1-99,9мин, 1-999мин, 0,1-99,9ч, 1-999ч
|
|
Время готовности, не более
|
с
|
0,15
|
|
Время повторной готовности, не более
|
с
|
0,1
|
|
Погрешность отсчета выдержки времени, не более
|
%
|
2
|
| Погрешность установки выдержки времени, не более | % | 10 |
|
Время воздействия управляющего сигнала, не менее
|
с
|
0,05
|
|
Диаграммы работы
|
|
1, 2, 3, 4, 11, 12, 23, 24, 28, 29
|
|
Дополнительные диаграммы (диапазон 0,1с-99,9с)
|
|
8, 9, 30
|
|
Максимальный коммутируемый ток: АС250В, 50Гц (АС1)/DC30В (DC1)
|
А
|
8
|
| Максимальное коммутируемое напряжение | В | AC 250 / DC 30 |
|
Максимальная коммутируемая мощность: АС250В 50Гц (АС1)/DC30В (DC1)
|
ВА/Вт
|
2000/240
|
|
Максимальное напряжение питания между цепями и контактами реле
|
В
|
АС2000 (50Гц - 1мин)
|
| Потребляемая мощность, не более | Вт | 2 |
|
Механическая износостойкость, не менее
|
циклов
|
10х106
|
|
Электрическая износостойкость, не менее
|
циклов
|
100000
|
| Степень защиты по корпусу / по клеммам по ГОСТ 14254-96 |
|
IP40/IP20
|
|
Количество и тип контактов
|
|
2 CO
|
|
Диапазон рабочих температур (по исполнениям)
|
0С
|
-40…+55 (УХЛ2)
|
|
Температура хранения
|
0С
|
-40...+70
|
|
Помехоустойчивость от пачек импульсов в соответствии с ГОСТ Р 51317.4.4-99 (IEC/EN 61000-4-4)
|
уровень 3 (2кВ/5кГц) | |
|
Помехоустойчивость от перенапряжения в соответствии с ГОСТ Р 51317.4.5-99 (IEC/EN 61000-4-5)
|
уровень 3 (2кВ А1-А2) | |
|
Климатическое исполнение и категория размещения по ГОСТ 15150-69 (без образования конденсата)
|
УХЛ2 | |
|
Относительная влажность воздуха
|
%
|
до 80 (при 250С)
|
|
Высота над уровнем моря
|
м
|
до 2000
|
|
Рабочее положение в пространстве
|
|
произвольное
|
|
Режим работы
|
|
круглосуточный
|
|
Габаритные размеры
|
мм
|
35х90х63
|
|
Масса
|
кг
|
0,1
|
ДИАГРАММЫ РАБОТЫ РЕЛЕ
РАСПОЛОЖЕНИЕ КЛЕММ
ПРИМЕР СХЕМЫ ПОДКЛЮЧЕНИЯ РЕЛЕ
ГАБАРИТНЫЕ РАЗМЕРЫ РЕЛЕ
ТУ 3425-007-31928807-2014
Сертификат соответствия EAC: смотреть
Задать вопрос можно тут - ВК
| Наименование |
Заказной код
(артикул)
|
Наименование файла | Файл для скачивания | Дата файла |
| РВО-08 АСDC24-240В УХЛ2 | 4640016930579 | Руководство по эксплуатации | PDF Скачать V13 | 04.25 |
| PDF Скачать V12 | 05.24 | |||
| 3D модель | STEP Скачать | 03.25 |
Русский





