Реле времени РВО-П2-15 задержка на включение или отключение, дискретная установка, 2 переключающих контакта, только УХЛ4
| РВО-П2-15 ACDC24В/AC230В УХЛ4 | стандарт |
3552.00 руб. с НДС
|
|
РВО-П2-15 АСDC10-30В УХЛ4
|
спец. изделие |
4788.00 руб. с НДС
|
|
РВО-П2-15 ACDC36В УХЛ4
|
спец. изделие |
4788.00 руб. с НДС
|
|
РВО-П2-15 DC6В УХЛ4
|
спец. изделие |
по запросу
|
- Диапазон выдержки времени от 0,1 с до 99ч
- Установка выдержки времени осуществляется с помощью двух декадных кнопочных переключателей
- 2 диаграммы работы
- 2 переключающие группы контактов 8А/250В
- Индикатор наличия питания и состояния встроенного реле
- Корпус шириной 18мм
НАЗНАЧЕНИЕ РЕЛЕ
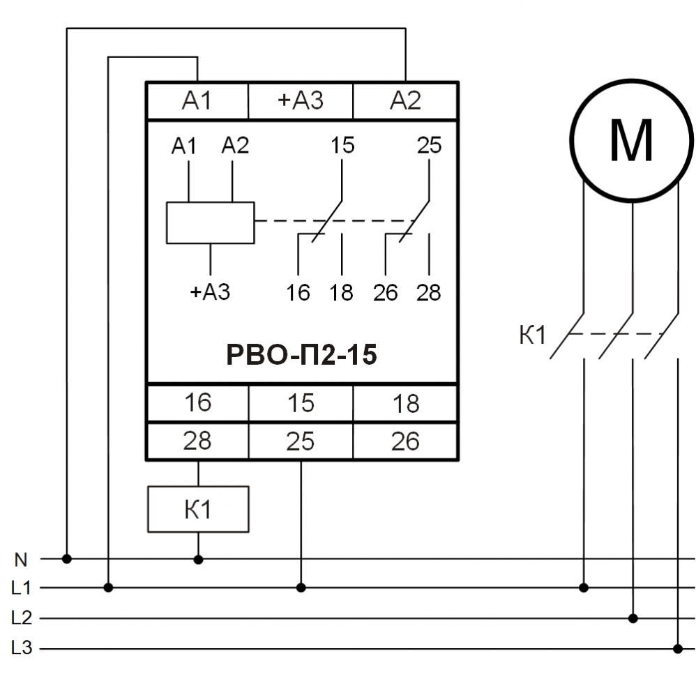
Реле времени РВО-П2-15 предназначено для выдачи команд в цепи схем управления через контакты реле после отработки установленной выдержки времени по заданному алгоритму работы.
КОНСТРУКЦИЯ РЕЛЕ
Реле выпускаются в унифицированном пластмассовом корпусе с передним присоединением проводов питания и коммутируемых электрических цепей. Крепление осуществляется на монтажную рейку-DIN шириной 35мм (ГОСТ Р МЭК 60715-2003) или на ровную поверхность. Для установки реле на ровную поверхность, фиксаторы замков необходимо переставить в крайние отверстия, расположенные на тыльной стороне корпуса. Конструкция клемм обеспечивает надѐжный зажим проводов сечением до 2,5мм2. На лицевой панели реле расположены: два кнопочных переключателя установки выдержки времени (первый – «десятки 0-9», второй «единицы 0-9»), поворотный переключатель «множ.» для установки диапазона выдержки времени и диаграммы работы, зелёный индикатор включения питания «U», жёлтый индикатор срабатывания встроенного исполнительного реле «
».
».
РАБОТА РЕЛЕ
Диаграмма работы и диапазон выдержки времени выбираются при помощи блока переключателей «1-4». Для каждой диаграммы можно выбрать один из восьми диапазонов выдержки времени установив переключатели «1-3» в соответствующее положение. Диаграмма работы реле определяется положением переключателя «4». Требуемая временная выдержка t устанавливается кнопочными переключателями, первая значащая цифра - переключателем десятков, вторая значащая цифра - переключателем единиц.
ВНИМАНИЕ: Для изменения диапазона выдержки времени реле необходимо выключить.
| Параметр | Ед.из.м | ACDC10-30В | ACDC36В | ACDC24В/AC230В | DC6В |
|
Напряжение питания
|
В |
АСDC10-30 |
АСDC36 ± 10% | ACDC24 ± 10% AC230 ± 10% | DC6 ± 10% |
|
Диапазоны выдержек времени
|
0,1-9,9с, 1-99с, 10-990с, 0,1-9,9мин, 1-99мин, 10-990мин, 0,1-9,9ч, 1-99ч
|
||||
|
Погрешность отсчета выдержки времени, не более
|
% |
2
|
|||
|
Время готовности, не более
|
с |
0,15
|
|||
|
Время повторной готовности, не более
|
с |
0,1
|
|||
| Диаграммы работы | 1, 2 | ||||
|
Максимальное коммутируемое напряжение
|
В |
400 (AC1/2A)
|
|||
|
Максимальный коммутируемый ток при активной нагрузке:
АС250В, 50Гц (АС1) / DC30В (DC1)
|
А |
8
|
|||
|
Максимальная коммутируемая мощность (АС1)
|
ВА/Вт |
2000/240
|
|||
|
Максимальная коммутируемая мощность: АС250В 50Гц (АС1)/DC30В (DC1)
|
В |
АС2000В (50Гц - 1мин)
|
|||
| Потребляемая мощность, не более | ВА | 2 | |||
|
Механическая износостойкость, не менее
|
циклов |
10х106
|
|||
|
Электрическая износостойкость, не менее
|
циклов |
100000
|
|||
|
Количество и тип контактов
|
2 переключающие группы
|
||||
|
Диапазон рабочих температур
|
0С |
-10 ... +55
|
|||
|
Температура хранения
|
0С |
-40 ... +70
|
|||
| Помехоустойчивость от пачек импульсов в соответствии с ГОСТ Р 51317.4.4-99 (IEC/EN 61000-4-4) | уровень 3 (2кВ/5кГц) | ||||
| Помехоустойчивость от перенапряжения в соответствии с ГОСТ Р 51317.4.5-99 (IEC/EN 61000-4-5) | уровень 3 (2кВ А1-А2) | ||||
| Климатическое исполнение и категория размещения по ГОСТ 15150-69 (без образования конденсата) | УХЛ4 | ||||
| Степень защиты реле по корпусу/по клеммам по ГОСТ 14254-96 | IP40/IP20 | ||||
| Степень загрязнения в соответствии с ГОСТ 9920-89 | 2 | ||||
|
Относительная влажность воздуха
|
% |
80 (при 250С)
|
|||
|
Высота над уровнем моря
|
м |
до 2000
|
|||
|
Рабочее положение в пространстве
|
произвольное
|
||||
|
Режим работы
|
круглосуточный
|
||||
|
Габаритные размеры
|
мм |
18х93х62
|
|||
|
Масса, не более
|
кг |
0,075
|
|||
ДИАГРАММЫ РАБОТЫ РЕЛЕ
СХЕМЫ ПОДКЛЮЧЕНИЯ РЕЛЕ
ГАБАРИТНЫЕ РАЗМЕРЫ РЕЛЕ
ТУ 3425-007-31928807-2014
Сертификат соответствия EAC: смотреть
Форум и обсуждения - здесь
| Наименование |
Заказной код
(артикул)
|
Наименование файла
|
Файл для скачивания | Дата файла |
|
РВО-П2-15 АСDC24В/АС230В УХЛ4 |
4640016932917
|
Руководство по эксплуатации | .PDF Скачать v13 | 05.24 |
| 3D модель | .STEP Скачать | 11.22 | ||
Русский




