Реле времени РВО-083 с двумя управляющими контактами, возможно исполнение УХЛ2
|
РВО-083 АСDC24-240В УХЛ4
|
стандарт |
2904.00 руб. с НДС
|
|
РВО-083 АСDC24-240В УХЛ2
|
спец. изделие |
4139.00 руб. с НДС
|
-
Диапазон выдержки времени от 0,01с до 999ч
-
Установка выдержки времени тремя поворотными переключателями
-
13 диаграмм работы
-
2 переключающие группы контактов 8А/250В
-
Функция счётчика импульсов
-
Индикатор наличия питания и состояния встроенного реле
НАЗНАЧЕНИЕ РЕЛЕ
Реле времени РВО-083 предназначено для коммутации электрических цепей с предварительно установленной выдержкой времени и алгоритмом работы. Реле применяется в системах автоматики, как комплектующее изделие.
КОНСТРУКЦИЯ РЕЛЕ
Реле выпускаются в унифицированном пластмассовом корпусе с передним присоединением проводов питания и коммутируемых электрических цепей. Крепление осуществляется на рейку-DIN шириной 35мм (ГОСТ Р МЭК 60715-2003) или на ровную поверхность. Для установки реле на ровную поверхность, фиксаторы замков необходимо переставить в крайние отверстия, расположенные на тыльной стороне корпуса. Конструкция клемм обеспечивает надёжный зажим проводов сечением до 2,5мм2. На лицевой панели реле расположены: три поворотных переключателя установки выдержки времени t (установка значений единиц 0-9, десятков 0-9 и сотен 0-9), поворотный переключатель множитель, поворотный переключатель выбора диаграммы работы, зелёный индикатор включения напряжения питания «U», жёлтый индикатор срабатывания встроенного исполнительного реле «
».
».
РАБОТА РЕЛЕ
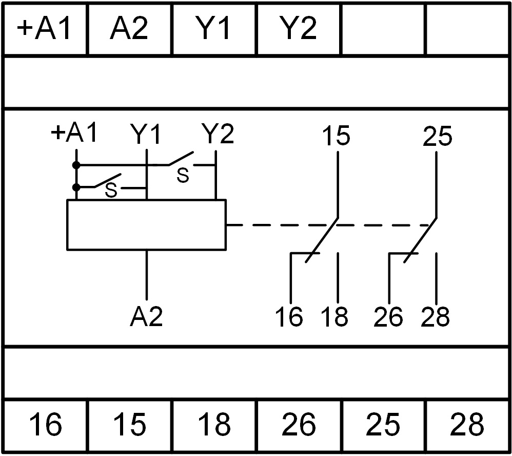
Реле не требует оперативного питания, питается от контролируемой сети. Подключение питания производится к клеммам «+А1» и «А2». При использовании реле в цепях постоянного тока +Uпит подключается к клемме «+А1».
Реле имеет 7 диапазонов выдержки времени. Требуемая временная выдержка t определяется путём умножения числового значения, установленного переключателями «ЕД.», «ДЕС.» и «СОТ.» на коэффициент устанавливаемый переключателем «МНОЖ.».
Переключатель «множитель» имеет три дополнительных положения:
Реле имеет 7 диапазонов выдержки времени. Требуемая временная выдержка t определяется путём умножения числового значения, установленного переключателями «ЕД.», «ДЕС.» и «СОТ.» на коэффициент устанавливаемый переключателем «МНОЖ.».
Переключатель «множитель» имеет три дополнительных положения:
-
«5» реле работает по диаграмме №5 - подсчёт количества импульсов установленного переключателями «единицы», «десятки» и «сотни».
-
«6» реле работает по диаграмме №6 - подсчёт количества импульсов установленного переключателями «единицы», «десятки» и «сотни».
-
«30» реле работает по диаграмме №30 - время t определяются путём умножения числового значения, установленного переключателями «единицы», «десятки» и «сотни» только на коэффициент 0,1с.
Диаграмма работы реле выбирается с помощью переключателя «диаграмма». Переключатель имеет десять положений «1»-«2»-«3»-«4»-«8»-«9»-«19»-«20»-«21»-«22» и определяет номер диаграммы работы реле. Если переключатель «множитель» установлен в одно из трёх положений «5», «6» или «30» переключатель «диаграмма» не определяет номер диаграммы.
ВНИМАНИЕ: Смена диаграммы работы и множителей возможна только после снятия напряжения питания.
Значения на переключателях «ед», «дес» и «сот», можно изменять при поданном питании на реле.
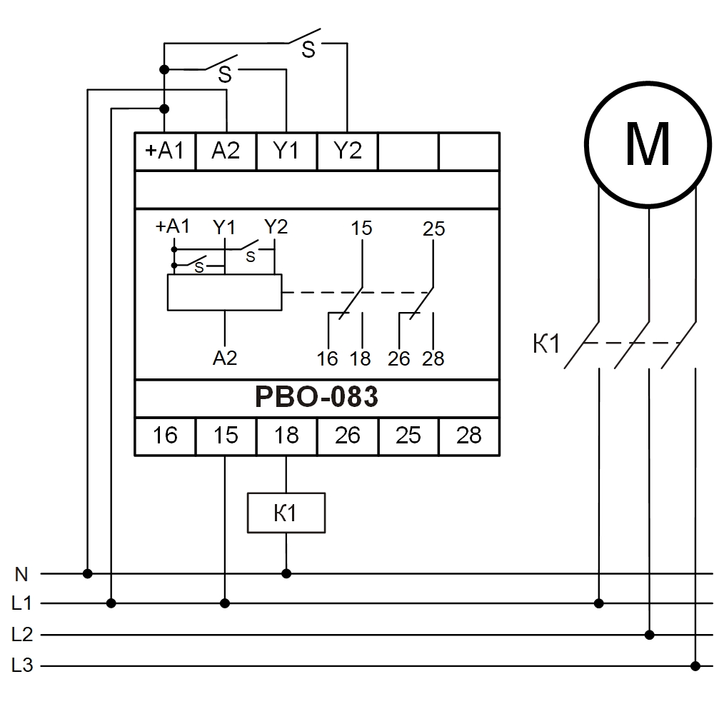
Команда внешнего управления подаётся на клемму «Y1» и формируется замыканием сухого контакта «S» между клеммой «Y1» и клеммой «+А1». Команда на сброс счётчика (диаграммы 5 и 6) подаётся на клемму «Y2» и формируется замыканием сухого контакта S между клеммой «Y2» и клеммой «+А1». В обесточенном состоянии замкнуты контакты 15-16 и 25-26. После подачи напряжения питания загорается зелёный индикатор «U» реле начинает отрабатывать выбранную диаграмму, во время отсчёта заданной выдержки времени или счета импульсов зелёный индикатор «U» мигает. При включении реле загорается жёлтый индикатор «
» при этом контакты 15-16 и 25-26 размыкаются, а контакты 15-18 и 25-28 замыкаются.
Команда внешнего управления подаётся на клемму «Y1» и формируется замыканием сухого контакта «S» между клеммой «Y1» и клеммой «+А1». Команда на сброс счётчика (диаграммы 5 и 6) подаётся на клемму «Y2» и формируется замыканием сухого контакта S между клеммой «Y2» и клеммой «+А1». В обесточенном состоянии замкнуты контакты 15-16 и 25-26. После подачи напряжения питания загорается зелёный индикатор «U» реле начинает отрабатывать выбранную диаграмму, во время отсчёта заданной выдержки времени или счета импульсов зелёный индикатор «U» мигает. При включении реле загорается жёлтый индикатор «
» при этом контакты 15-16 и 25-26 размыкаются, а контакты 15-18 и 25-28 замыкаются.|
Параметр
|
Ед.изм.
|
РВО-083
|
|
Напряжение питания
|
В
|
АСDC24-240±10%
|
|
Диапазоны выдержки времени
|
|
0,01 - 9,99с, 0,1 - 99,9c, 1 - 999c, 0,1 - 99,9мин, 1 - 999мин, 0,1 - 99,9ч, 1 - 999ч
|
|
Погрешность установки выдержки времени, не более
|
%
|
10
|
|
Погрешность отсчёта выдержки времени, не более
|
%
|
2
|
|
Время готовности, не более
|
с
|
0,15
|
|
Время повторной готовности, не более
|
с
|
0,1
|
|
Время воздействия управляющего сигнала, не менее
|
с
|
0,05
|
|
Диаграммы работы
|
|
1, 2, 3, 4, 8, 9, 19, 20, 21, 22
|
|
Дополнительная диаграмма (диапазон времени 0,1с-99,9с)
|
|
30
|
|
Диаграммы счетчика импульсов (диапазон счета 1-999 имп.)
|
|
5 и 6
|
|
Максимальный коммутируемый ток: АС250В 50Гц (АС1)/DC30В (DC1)
|
А |
8
|
|
Максимальное коммутируемое напряжение
|
В
|
400 (AC1/2A)
|
|
Максимальная коммутируемая мощность: АС250В 50Гц (АС1)/DC30В (DC1)
|
ВА/Вт
|
2000/240 |
|
Максимальное напряжение между цепями питания и контактами реле
|
В
|
АС2000 (50Гц - 1мин)
|
| Потребляемая мощность, не более | ВА | 2 |
|
Механическая износостойкость, не менее
|
циклов
|
10х106
|
|
Электрическая износостойкость, не менее
|
циклов
|
100000
|
| Степень защиты по корпусу/по клеммам по ГОСТ 14254-96 |
|
IP40/IP20
|
|
Количество и тип контактов
|
|
2 переключающие группы
|
|
Диапазон рабочих температур
|
0С
|
-25…+55
|
|
Температура хранения
|
0С
|
-40...+70
|
|
Помехоустойчивость от пачек импульсов в соответствии с ГОСТ Р 51317.4.4-99 (IEC/EN 61000-4-4)
|
уровень 3 (2кВ/5кГц) | |
|
Помехоустойчивость от перенапряжения в соответствии с ГОСТ Р 51317.4.5-99 (IEC/EN 61000-4-5)
|
уровень 3 (2кВ А1-А2) | |
|
Климатическое исполнение и категория размещения по ГОСТ 15150-69 (без образования конденсата)
|
УХЛ4 | |
| Степень загрязнения в соответствии с ГОСТ 9920-89 | 2 | |
|
Относительная влажность воздуха
|
%
|
до 80 (при 250С)
|
|
Высота над уровнем моря
|
м
|
2000
|
|
Рабочее положение в пространстве
|
|
произвольное
|
|
Режим работы
|
|
круглосуточный
|
|
Габаритные размеры
|
мм
|
35х90х63
|
|
Масса
|
кг
|
0,1
|
ДИАГРАММЫ РАБОТЫ РЕЛЕ
РАСПОЛОЖЕНИЕ КЛЕММ
ПРИМЕР СХЕМЫ ПОДКЛЮЧЕНИЯ РЕЛЕ
ГАБАРИТНЫЕ РАЗМЕРЫ РЕЛЕ
ТУ 3425-003-31928807-2014
Сертификат соответствия EAC: смотреть
Задать вопрос можно тут - ВК
| Наименование |
Заказной код
(артикул)
|
Наименование файла | Файл для скачивания | Дата файла |
|
РВО-083 АСDC24-240В УХЛ4 РВО-083 АСDC24-240В УХЛ2 |
4640016932276 4640016938520 |
Руководство по эксплуатации | PDF Скачать v15 | 05.24 |
| 3D модель | STEP Скачать | 03.25 |
Русский




