Реле времени РВО-П3-10 в корпусе щитового исполнения только УХЛ4
|
РВО-П3-10 АСDC24-240В УХЛ4
|
4325.00 руб. с НДС
|
|
РВО-П2-1-10 ACDC110В-220В УХЛ4
|
РАСПРОДАЖА
склад - 1шт.
|
-
Установка выдержки времени осуществляется с помощью трёх декадных кнопочных переключателей
-
Диапазон выдержки времени от 0,01с до 99,9ч
-
17 диаграмм работы
-
2 переключающие группы 5А/250В
-
Размер 48х48х88мм (щитовой монтаж)
НАЗНАЧЕНИЕ РЕЛЕ
Реле времени РВО-П3-10 предназначено для коммутации электрических цепей с предварительно установленными выдержками времени и определённым алгоритмом работы. Реле предназначено для работы в системах автоматики, как комплектующее изделие.
КОНСТРУКЦИЯ РЕЛЕ
Реле выпускаются в унифицированном пластмассовом корпусе с задним присоединением проводов питания и коммутируемых электрических цепей. Реле монтируется на щит. Крепление осуществляется с помощью передвижных пластмассовых зажимов. Конструкция клемм обеспечивает надёжный зажим проводов сечением до 2,5мм2. На лицевой панели реле расположены: три кнопочных переключателя «Уставка» для установки выдержки времени (t), зелёный индикатор включения напряжения питания «Сеть», жёлтый индикатор срабатывания встроенного исполнительного реле «Реле». На задней стенке расположен DIP - переключатель «Функция/Множитель» для выбора диаграммы работы и установки диапазона времени. Для крепления реле на щит необходимо вырезать окно размером 44х44мм. Крепление осуществляется накладными фиксаторами. При установке нескольких реле рядом необходимо учитывать минимальные расстояния между окнами. Рекомендуемое расстояние между двумя соседними установочными отверстиями 15мм. Установить корпус реле в окне и фиксировать с помощью двух фиксаторов.
РАБОТА РЕЛЕ
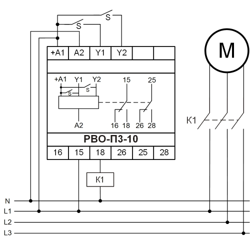
Напряжение питания подаётся на клеммы «+А1» и «А2». Команды внешнего управления подаются на клеммы «Y1» и «Y2». Команда формируется замыканием сухого контакта «S» между клеммой «Y1» или «Y2» и клеммой «+А1».
Реле имеет 8 диапазонов выдержки времени. Требуемая временная выдержка t определяется путём умножения числового значения, установленного на переключателях «единицы», «десятки» и «сотни» на множитель выбранного диапазона. Диапазон времени устанавливается DIP переключателями 1, 2, 3. Диаграмма работы реле устанавливается DIP переключателями 5, 6, 7 и 8.
Реле имеет 8 диапазонов выдержки времени. Требуемая временная выдержка t определяется путём умножения числового значения, установленного на переключателях «единицы», «десятки» и «сотни» на множитель выбранного диапазона. Диапазон времени устанавливается DIP переключателями 1, 2, 3. Диаграмма работы реле устанавливается DIP переключателями 5, 6, 7 и 8.
ВНИМАНИЕ: Смена диаграммы работы и множителей возможна только после снятия напряжения питания.
Значения на переключателях «ед», «дес» и «сот», можно изменять при поданном питании на реле.
В обесточенном состоянии замкнуты контакты 15-16 и 25-26. После подачи напряжения питания загорается зелёный индикатор «Сеть» реле начинает отрабатывать выбранную диаграмму, во время отсчёта заданной выдержки времени зелёный индикатор «Сеть» мигает. При включении встроенного реле загорается жёлтый индикатор «реле» при этом контакты 15-16 и 25-26 размыкаются, а контакты 15-18 и 25-28 замыкаются.
Схема подключения реле определяется в зависимости от требуемой диаграммы работы. Для диаграмм 1, 2 управляющие контакты Y1, Y2 не используются; для диаграмм 3, 4, 11, 12, 21, 22, 23, 24, 28, 29, 30 используется один управляющий контакт Y1; для диаграмм 5, 19, 20 используются оба управляющих контакта Y1, Y2.
Если переключатель №4 на задней панели реле установить в верхнее положение то группа контактов 26-25-28 будет переведена в режим работы мгновенного контакта (МК) - диаграмма 0. Режимы работы для группы контактов 16-15-18 при этом, по всем диаграммам сохраняются. При нижнем положении переключателя №4 обе группы контактов 26-25-28 и 16-15-18 работают синхронно.
В обесточенном состоянии замкнуты контакты 15-16 и 25-26. После подачи напряжения питания загорается зелёный индикатор «Сеть» реле начинает отрабатывать выбранную диаграмму, во время отсчёта заданной выдержки времени зелёный индикатор «Сеть» мигает. При включении встроенного реле загорается жёлтый индикатор «реле» при этом контакты 15-16 и 25-26 размыкаются, а контакты 15-18 и 25-28 замыкаются.
Схема подключения реле определяется в зависимости от требуемой диаграммы работы. Для диаграмм 1, 2 управляющие контакты Y1, Y2 не используются; для диаграмм 3, 4, 11, 12, 21, 22, 23, 24, 28, 29, 30 используется один управляющий контакт Y1; для диаграмм 5, 19, 20 используются оба управляющих контакта Y1, Y2.
Если переключатель №4 на задней панели реле установить в верхнее положение то группа контактов 26-25-28 будет переведена в режим работы мгновенного контакта (МК) - диаграмма 0. Режимы работы для группы контактов 16-15-18 при этом, по всем диаграммам сохраняются. При нижнем положении переключателя №4 обе группы контактов 26-25-28 и 16-15-18 работают синхронно.
|
Параметр
|
Ед.изм.
|
РВО-П3-10 |
|
Напряжение питания
|
В
|
АС24-240 50Гц/DC24-240
|
|
Диапазон выдержек времени
|
|
0,01-9,99с, 0,1-99,9с, 1-999с, 10-9990с,
0,1-99,9мин, 1-999мин, 10-9990мин, 0,1-99,9ч |
|
Время готовности, не более
|
с
|
0,15
|
|
Время повторной готовности, не более
|
с
|
0,1
|
|
Погрешность отсчета выдержки времени, не более
|
%
|
5
|
|
Время воздействия управляющего сигнала, не менее
|
с
|
0,05
|
|
Диаграммы работы
|
|
1, 2, 3, 4, 5,11,12, 19, 20, 21, 22, 23, 24, 28, 29, 30
|
|
Максимальный коммутируемый ток: АС250В 50Гц (АС1)/DC30B (DC1)
|
А
|
5
|
|
Максимальная коммутируемая мощность: АС250В 50Гц (АС1)/DC30В (DC1)
|
ВА/Вт
|
1250/150
|
|
Максимальное коммутируемое напряжение
|
В
|
250
|
|
Количество и тип контактов
|
|
2 переключающие группы
|
|
Максимальное напряжение между цепями питания и контактами реле
|
В
|
АС2000 (50Гц - 1мин)
|
| Потребляемая мощность, не более | ВА | 2 |
|
Механическая износостойкость, не менее
|
циклов
|
10х106
|
|
Электрическая износостойкость, не менее
|
циклов
|
100000
|
| Степень защиты по корпусу / по клеммам по ГОСТ 14254-96 |
|
IP40/IP20
|
|
Диапазон рабочих температур
|
0C
|
-10...+55
|
|
Температура хранения
|
0C
|
-40...+70
|
|
Помехоустойчивость от пачек импульсов в соответствии с ГОСТ Р 51317.4.4-99 (IEC/EN 61000-4-4)
|
уровень 3 (2кВ/5кГц) | |
|
Помехоустойчивость от перенапряжения в соответствии с ГОСТ Р 51317.4.5-99 (IEC/EN 61000-4-5)
|
уровень 3 (2кВ А1-А2) | |
|
Климатическое исполнение и категория размещения по ГОСТ 15150-69 (без образования конденсата)
|
УХЛ4 | |
|
Относительная влажность воздуха
|
%
|
до 80 (при 250С)
|
|
Высота над уровнем моря
|
м
|
до 2000
|
|
Рабочее положение в пространстве
|
|
произвольное
|
|
Режим работы
|
|
круглосуточный
|
| Габаритные размеры | мм | 48х48х88 |
|
Масса
|
кг
|
0,115
|
РАСПОЛОЖЕНИЕ КЛЕММ
ПРИМЕР СХЕМЫ ПОДКЛЮЧЕНИЯ РЕЛЕ
ГАБАРИТНЫЕ РАЗМЕРЫ РЕЛЕ
ТУ 3425-007-31928807-2014
Сертификат соответствия EAC: смотреть
Форум и обсуждения - здесь
| Наименование |
Заказной код
(артикул)
|
Наименование файла | Файл для скачивания | Дата файла |
| РВО-П3-10 АСDC24-240В УХЛ4 | 4640016930784 | Руководство по эксплуатации | PDF Скачать v12 | 04.25 |
| PDF Скачать v11 | 05.24 |
Русский



