Реле времени РВО-26 с выдержкой после снятия напряжения питания
|
РВО-26 АС400В УХЛ4
|
спец. изделие |
4502.00 руб. с НДС
|
|
РВО-26 АС400В УХЛ2
|
спец. изделие |
4502.00 руб. с НДС
|
|
РВО-26 АСDC24-240В УХЛ4
|
стандарт |
3194.00 руб. с НДС
|
|
РВО-26 АСDC24-240В УХЛ2
|
спец. изделие |
4502.00 руб. с НДС
|
-
Выдержка времени после отключения напряжения питания: 0,1 – 9,9с, 1 - 99с и 0,1 - 9,9мин
-
Установка выдержки времени двумя десятичными переключателями с шагом 1% от максимального значения диапазона
-
Три диаграммы работы (26, 27 и 31) или функция мгновенного контакта (МК)
-
2 переключающие группы контактов 8А/250В
-
Индикатор наличия питания
-
Корпус шириной 18мм
НАЗНАЧЕНИЕ РЕЛЕ
Реле времени РВО-26 предназначено для формирования задержки на выключение исполнительного реле после снятия напряжения питания (диаграмма работы 26 и 31) или для включения исполнительного реле после снятия напряжения питания (диаграмма работы 27) на предварительно установленную выдержку времени. Реле обеспечивает работу встроенной контактной группы без выдержки времени (диаграмма работы МК).
КОНСТРУКЦИЯ РЕЛЕ
Реле выпускаются в унифицированном пластмассовом корпусе с передним присоединением проводов питания и коммутируемых электрических цепей. Крепление осуществляется на монтажную рейку-DIN шириной 35мм (ГОСТ Р МЭК 60715-2003) или на ровную поверхность. Для установки реле на ровную поверхность, фиксаторы замков необходимо переставить в крайние отверстия, расположенные на тыльной стороне корпуса. Конструкция клемм обеспечивает надёжный зажим проводов сечением до 2,5 мм2.
На лицевой панели реле расположены: два поворотных переключателя для задания выдержки времени t (установка значений единиц 0-9 и десятков 0-9), поворотный переключатель “Множитель” для выбора диаграммы работы и задания временного диапазона, зелёный индикатор включения питания «U».
ВНИМАНИЕ: В конструкции изделия применено поляризованное электромагнитное реле с двумя устойчивыми состояниями. Одиночные удары во время транспортировки могут привести к самопроизвольному переключению контактов. Неправильное положение контактов перед первым включением реле не является признаком дефектности реле. При первом включении исходное (выключенное) состояние контактов восстанавливается.
- Не устанавливать реле в зоне повышенной вибрации или рядом с приборами, вызывающими вибрацию при срабатывании (например мощные пускатели и др.).
РАБОТА РЕЛЕ
Диаграмма работы и диапазон выдержки времени выбирается переключателем «Множ.». Для каждой диаграммы можно выбрать один из трёх (0,1с-9,9с, 1с-99с, 0,1мин-9,9мин) диапазонов выдержки времени. Требуемая временная выдержка t определяется путѐм умножения числового значения, установленного на переключателях “Единицы” и “Десятки”, на множитель выбранного диапазона на переключателе «Множитель». В положении «мк» реле работает в режиме мгновенного контакта.
Диаграмма работы 26 - при подаче питания включается индикатор «U» и срабатывает исполнительное реле, при этом замыкаются контакты 15-18 и 25-28. При снятии питания выключается индикатор «U» и начинается отсчёт установленной выдержки времени, после чего исполнительное реле выключается (замыкаются контакты 15-16 и 25-26). Если во время отсчёта времени будет подано питание на реле, то отсчёт времени прекратится, после снятия напряжения питания отсчёт времени начнётся сначала.
Диаграмма работы 27 - при подаче питания включается индикатор «U». При снятии напряжения питания выключается индикатор «U» и включается исполнительное реле на время предварительно установленной выдержки времени t, при этом замыкаются контакты 15-18 и 25-28. После отсчёта выдержки времени исполнительное реле выключается и замыкаются контакты 15-16 и 25-26. Если во время отсчёта времени будет вновь подано питание на прибор, то исполнительное реле выключится, замкнуться контакты 15-16 и 25-26 и отсчёт времени будет прерван. При снятии напряжения питания исполнительное реле включится, замкнуться контакты 15-18 и 25-28 и начнётся отсчёт установленной выдержки времени t.
Диаграмма работы 31 - при подаче питания включается индикатор «U» и начинается отсчёт установленной выдержки времени. После отсчёта выдержки времени включается исполнительное реле и замыкаются контакты 15-18 и 25-28. При снятии напряжения питания выключается индикатор «U» и начинается отсчёт выдержки времени. После отсчёта выдержки времени исполнительное реле выключается и замыкаются контакты 15-16 и 25-26. Если во время отсчёта времени будет вновь подано питание на прибор, то исполнительное реле останется в выключенном состоянии и отсчёт времени прервётся.
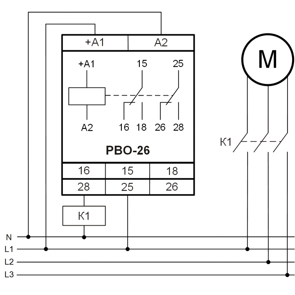
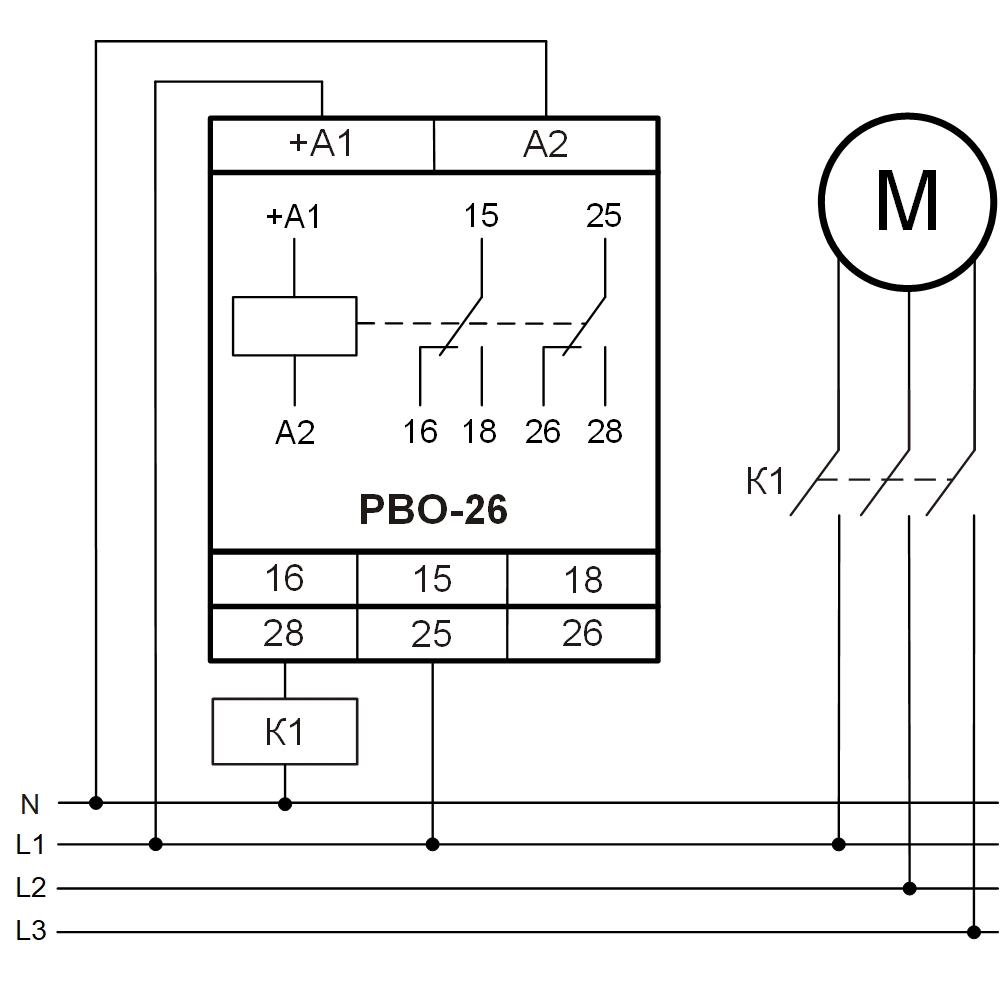
Диаграмма работы МК - при подаче питания включается индикатор «U», включается исполнительное реле, замыкаются контакты 15-18 и 25-28. При снятии напряжения питания выключается индикатор «U», исполнительное реле выключается и замыкаются контакты 15-16 и 25-26. Напряжение питания подаётся на клеммы «+А1» и «А2».
| Параметр | Ед.изм. | РВО-26 ACDC24-240В | РВО-26 AC400В |
|
Напряжение питания
|
В
|
АСDC24-240 ± 10%
|
АС400 ± 10%
|
|
Диапазон выдержки времени
|
0,1-9,9с; 1-99с; 0,1-9,9мин
|
||
| Погрешность установки выдержки времени, не более | % | 10 | |
|
Погрешность отсчёта выдержки времени, не более
|
%
|
2
|
|
|
Время предварительного пребывания реле под напряжением питания для обеспечения выдержки времени с заданной точностью
|
с
|
1
|
|
|
Время готовности реле (включения реле после подачи питания)
|
с
|
0,5
|
|
| Диаграммы работы | 26, 27, 31, МК | ||
| Максимальный коммутируемый ток: АС250В 50Гц (АС1)/DC30В (DC1) | А | 8 | |
|
Максимальное коммутируемое напряжение
|
В
|
400 (AC1/2A)
|
|
|
Максимальная коммутируемая мощность: АС250В 50Гц (АС1)/DC30В (DC1)
|
ВА/ Вт
|
2000/240
|
|
|
Максимальное напряжение между цепями питания и контактами
|
В
|
АС2000В (50Гц - 1мин)
|
|
|
Механическая износостойкость, не менее
|
циклов
|
10х106
|
|
|
Электрическая износостойкость, не менее
|
циклов
|
100000
|
|
|
Количество и тип контактов
|
|
2 переключающие группы
|
|
|
Диапазон рабочих температур (по исполнениям)
|
0С
|
-25…+55 (УХЛ4)
-40…+55 (УХЛ2)
|
|
|
Температура хранения
|
0С
|
-40...+70
|
|
|
Помехоустойчивость от пачек импульсов в соответствии с ГОСТ Р 51317.4.4-99 (IEC/EN 61000-4-4) |
уровень 3 (2кВ/5кГц) | ||
|
Помехоустойчивость от перенапряжения в соответствии с ГОСТ Р 51317.4.5-99 (IEC/EN 61000-4-5) |
уровень 3 (2кВ А1-А2) | ||
| Климатическое исполнение и категория размещения по ГОСТ 15150-69 (без образования конденсата) | УХЛ4 или УХЛ2 | ||
| Степень защиты реле по корпусу / по клеммам по ГОСТ 14254-96 | IP40/IP20 | ||
| Степень загрязнения в соответствии с ГОСТ 9920-89 | 2 | ||
|
Относительная влажность воздуха
|
%
|
до 80% при 25°С
|
|
|
Высота над уровнем моря
|
м
|
до 2000
|
|
|
Рабочее положение в пространстве
|
|
произвольное
|
|
|
Режим работы
|
|
круглосуточный
|
|
|
Габаритные размеры
|
мм
|
18х93х62
|
|
|
Масса
|
кг
|
0,075
|
|
ДИАГРАММЫ РАБОТЫ РЕЛЕ
РАСПОЛОЖЕНИЕ КЛЕММ
ПРИМЕР СХЕМЫ ПОДКЛЮЧЕНИЯ РЕЛЕ
Напряжение питания подаётся на клеммы «+А1», «А2».
ГАБАРИТНЫЕ РАЗМЕРЫ РЕЛЕ
ТУ 3425-007-31928807-2014
Сертификат соответствия EAC: смотреть
Задать вопрос можно тут - ВК
|
Наименование
|
Заказной код
(артикул)
|
Наименование файла
|
Файл для скачивания
|
Дата файла
|
|
РВО-26 АС400В УХЛ4
РВО-26 АС400В УХЛ2 РВО-26 АСDC24-240В УХЛ4 РВО-26 АСDC24-240В УХЛ2 |
4640016932900
4640016932894 4640016930685 4640016930678 |
Руководство по эксплуатации
|
PDF Скачать v15
|
05.25
|
|
3D модель
|
02.21
|
Русский




