Реле контроля реверсивного электропривода РКРП-3
|
ВНИМАНИЕ!
РАСПРОДАЖА, УСТРОЙСТВО СНЯТО С ПРОИЗВОДСТВА |
|
РКРП-3 УХЛ4
|
РАСПРОДАЖА |
2669.00 руб. с НДС
|
-
Контроль положения реверсивного электропривода с бесконтактными датчиками или концевыми выключателями и цепи защиты электродвигателя
-
Индикация состояний "Открыто", "Закрыто", "Готовность к управлению"
-
3 выходных реле 8А/250В
-
Крепление на рейку-DIN или на ровную поверхность
-
Корпус шириной 22 мм
НАЗНАЧЕНИЕ
Реле контроля реверсивного электропривода РКРП-3 предназначено для применения в схемах управления электроприводов реверсивных механизмов различного назначения в составе инженерно-технических установок метрополитена: задвижек, гермоклапанов, вентиляционных клапанов и т.п. Реле выполняет контроль сигналов от датчиков положения механизма различного типа (бесконтактных датчиков или концевых выключателей) и состояния готовности привода к управлению (от цепи защиты двигателя) и обеспечивает их передачу в систему дистанционного управления (диспетчеризации). Возможно применение линий сигнализации и управления длинной до нескольких км. Применение низкого напряжения 24 В постоянного тока значительно повышает надежность работы и безопасность эксплуатации механизмов, особенно в сложных условиях (повышенная влажность, запыленность). Возможно применение реле на любых промышленных, транспортных, гражданских или коммунальных объектах. Технические характеристики реле приведены в таблице.
КОНСТРУКЦИЯ
Реле выпускаются в унифицированном пластмассовом корпусе с передним присоединением проводов питания и коммутируемых электрических цепей. Крепление осуществляется на монтажную рейку-DIN шириной 35мм (ГОСТ Р МЭК 60715-2003) или на ровную поверхность. Для установки реле на ровную поверхность, замки необходимо раздвинуть. Конструкция клемм обеспечивает надёжный зажим проводов сечением до 2,5мм2. На лицевой панели прибора расположены: желтый индикатор «К1» положения "Открыто", желтый индикатор «К2» положения "Закрыто", желтый индикатор «К3» состояния "Готовность".
РАБОТА
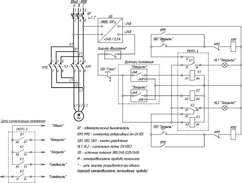
К клеммам А1, А2 реле подключаются сигналы от датчиков положения механизма ("Открыт" / "Закрыт"), а к клемме А3 - сигнал от цепи защиты двигателя,соответствующий состоянию "Готовность". Выходные контакты реле (11, 12, 14) и (21, 22, 24) включаются в схему управления реверсивным контактором электродвигателя привода. Выходные контакты реле (K1, K2, K3, K0) включаются в схему дистанционной сигнализации положения привода.
При срабатывании датчика положения "Открыто" срабатывает реле K1, а датчика положения "Закрыто" - реле K2. Реле K3 срабатывает при переходе схемы управления электропривода в состояние "Готовность к управлению".
Пример возможного построения принципиальной электрической схемы реверсивного электропривода с использованием РКРП-3 приведен на рис.2. Тип источника питания выбирается в соответствии со значением входного напряжения (380 или 220 В).
|
Параметр
|
Ед.изм.
|
РКРП-3
|
|
Напряжение питания
|
В
|
DC24±10%
|
|
Мощность, потребляемая катушкой, не более
|
Вт
|
0,5
|
| Время во включённом состоянии | не ограничено | |
| Время включения реле, не более | с | 0,2 |
| Время выключения реле, не более | с | 0,1 |
| Количество и тип контактов | 2 переключающие группы, 4 замыкающие группы | |
| Максимальное коммутируемое напряжение | В | 250 |
|
Максимальный коммутируемый ток: АС250В 50Гц (АС1)/DC30В (DC1)
|
А
|
8
|
|
Максимальная коммутируемая мощность: АС250В 50Гц (АС1)/DC30В (DC1)
|
ВА/Вт
|
2000/240
|
|
Максимальное напряжение между цепями питания и контактами реле
|
В
|
АС2000 (50Гц - 1мин)
|
|
Механическая износостойкость, не менее
|
циклов
|
10х106
|
|
Электрическая износостойкость, не менее
|
циклов
|
100000
|
|
Диапазон рабочих температур (по исполнениям)
|
0C
|
-25...+55 (УХЛ4) / -40...+55 (УХЛ2)
|
|
Температура хранения
|
0C
|
-40...+70
|
|
Климатическое исполнение и категория размещения по ГОСТ 15150-69 (без образования конденсата)
|
|
УХЛ4 или УХЛ2
|
|
Степень защиты реле по корпусу/по клеммам по ГОСТ 14254-96
|
|
IP40/IP20
|
|
Степень загрязнения в соответствии с ГОСТ 9920-89
|
|
2
|
|
Относительная влажность воздуха
|
%
|
до 80 (при 25 0C)
|
|
Высота над уровнем моря
|
м
|
до 2000
|
|
Рабочее положение в пространстве
|
|
произвольное
|
|
Режим работы
|
|
круглосуточный
|
|
Габаритные размеры
|
мм
|
22х93х62
|
|
Масса
|
кг
|
0,095
|
СХЕМА ПОДКЛЮЧЕНИЯ
ВАРИАНТ СХЕМЫ ПОДКЛЮЧЕНИЯ РКРП-3
ГАБАРИТНЫЕ РАЗМЕРЫ БЛОКА
ТУ 3425-003-31928807-2014
Сертификат соответствия EAC: смотреть
Форум и обсуждения - здесь
| Наименование |
Заказной код
(артикул)
|
Наименование файла | Файл для скачивания | Дата файла |
| РКРП-3 УХЛ4 | 4680019911021 | Руководство по эксплуатации | .PDF Скачать v02 | 03.18 |
Русский


